Manual

IKA
-WERKE C 5000 control/duo-control Ver. 10 04.07
3DJH
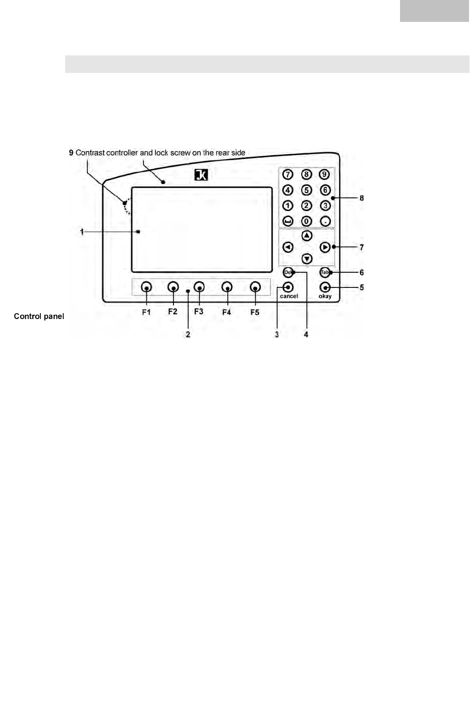
&RQWURODQGGLVSOD\HOHPHQWV
Before you continue with the next steps in preparing the system for operation, you
should become familiar with the display and control console.
The control console is equipped with the following elements:
1. /&GLVSOD\ for showing system data, experiment data as well as menus and
dialog boxes for entering data.
2. )XQFWLRQNH\V The assignment of the function keys depends on the operat-
ing state of the system at the moment. ) calls up a context-sensitive help
system. The footer of the display indicates the current assignment of the
function keys.
3 &DQFHONH\ The FDQFHOfunction is active in the menu and dialog boxes. You
can use FDQFHO to leave a window without the system accepting any data that
may have been entered.
4. 'HONH\ If you have entered a character sequence inside a dialog box, for
example the weight of the combustion sample, you can delete the character
immediately to the left of the cursor with the 'HO key. The 'HO key has a sec-
ond function: outside a dialog box, you can open the menu bar on the upper
edge of the screen by pressing the 'HO key.
5. 2.NH\ You can use the 2. key to activate menu items and to close or con-
firm dialog boxes. In addition, OK is used to cause the system to accept data
that was entered inside a dialog box.
6. 7DENH\ 7DE moves the cursor within a dialog box from one configuration
box to the next.
7DE is used to move from the display for measurement cell 1 to the display
for measurement cell 2 in the duo control system.
☞










