Guide

Documentation Changes
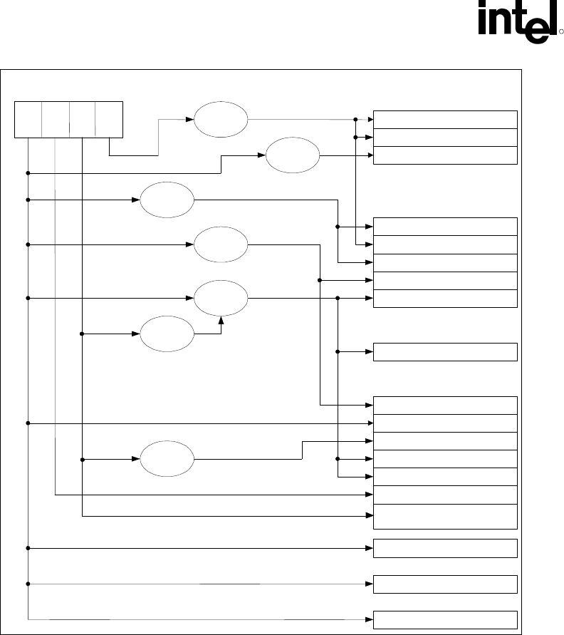
R
VRM
1.5 V VREG
3.3V 5V 5VSB 12V
ATX 12V Power Supply
3.3V VREG
3.3V FET
Switch
1.8 V VREG
Intel
®
MCH Core 1.5V
Processor Vtt
Intel
®
MCH System Memory SDR 3.3V
Intel
®
MCH Hub Interface 1.8V
Intel
®
MCH AGP
Intel
®
MCH Vtt
Processor Core
PC-133 System Memory 3.3V
Intel
®
ICH2 Core 1.8V
Intel
®
ICH2 I/O 3.3V
Intel
®
ICH2 Resume 1.8V
Intel
®
ICH2 Resume I/O 3.3V
Intel
®
ICH2 RTC 3.3V
FWH 3.3V
LPC Super I/O 3.3V
CK-408 3.3V
1.8 V VREG
Intel
®
ICH2 V5REF
Processor VIDVID VREG
Intel
®
ICH2 V5REF_SUS
4. Electrostatic Discharge Platform Recommendations
The following new material is added as Section 4.6.7, Electrostatic Discharge Platform
Recommendations:
4.6.7 Electrostatic Discharge Platform Recommendations
Electrostatic discharge (ESD) into a system can lead to system instability, and possibly cause
functional failures when a system is in use. There are system level design methodologies that
when followed can lead to higher ESD immunity. Electromagnetic fields due to ESD are
introduced into a system through chassis openings such as the I/O back panel and PCI slots. These
fields can introduce noise into signals and cause the system to malfunction. One can reduce the
potential for issues at the I/O area by adding more ground plane on the motherboard around the
I/O area. This can lead to a higher ESD immunity.
12 Design Guide Update