Technical Product Specification

Table Of Contents
Additonal System Boards Intel® Server System R2000LH2/T2 Product Family TPS
Revision 1.0
88
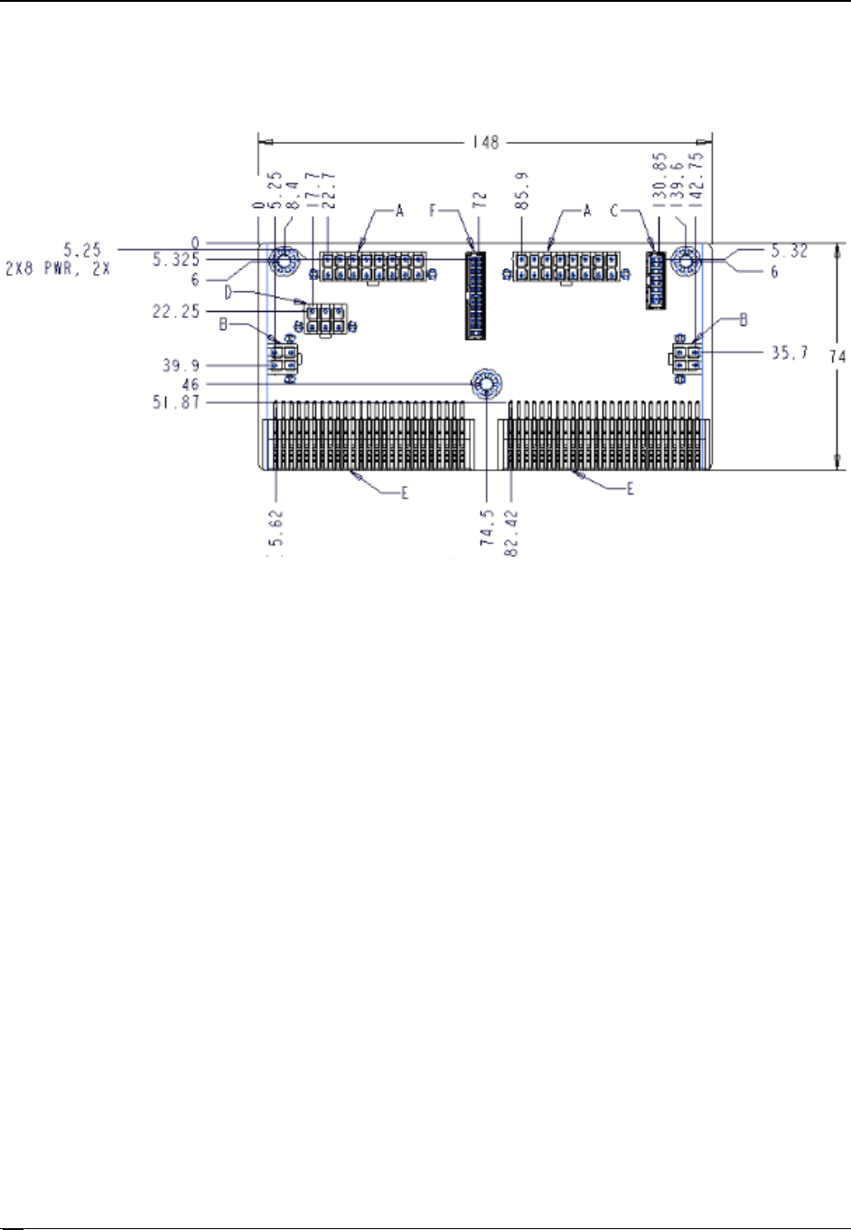
10.6
PDB Drawing
The PDB is 148mm wide x 74mm deep.
Figure 74. PDB Drawing