S2600GZ and S2600GL

Table Of Contents
Intel® Server Board S2600GZ/GL TPS Product Overview
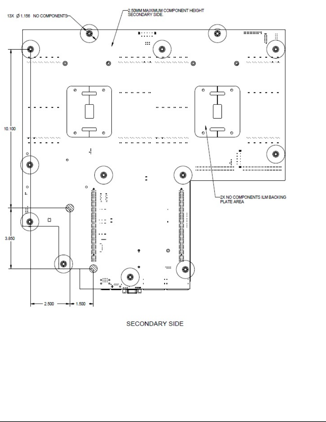
Figure 7. Intel
®
Server Board S2600GZ/GL Secondary Side Keepout Zone
Revision 2.4
9