Hardware User Guide

Table Of Contents
26 Intel® Integrated RAID Module RMT3PB080 and RMT3CB080 Hardware User’s Guide
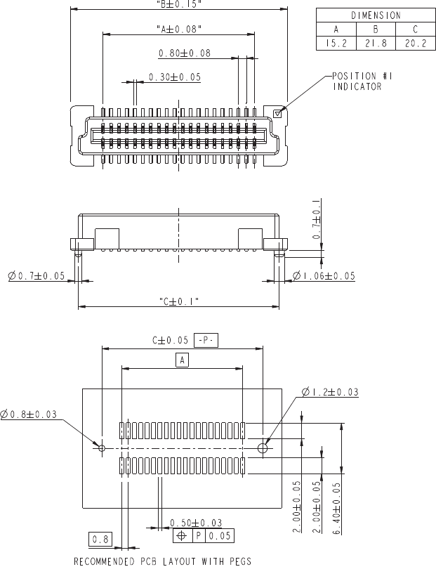
Figure 14. PCI Interface
AF004606