Manual
Manuals
Brands
J&M Manuals
Gardening equipment
4WS17
1
2
3
4
5
6
7
8
9
10
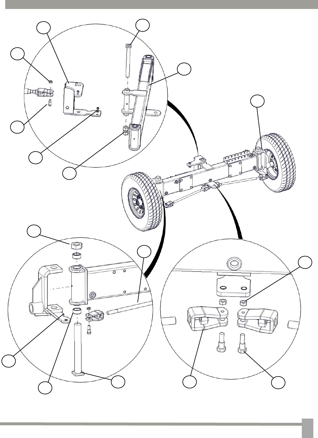
9
r
ear
a
xle
2
4
5
3
11
6
7
1
8
10
9
12
13
15
16
14
1
...
...
8
9
10
11
12
...
...
27