Installation Guide

Luxury Whirlpool Bath
Installation and Operation www.jacuzzi.com Page 13
English
Before you begin your installation, please read the following:
Drop-in Installation
Observe all local and building codes.
Determine which tools will be used during the installation.
Additional bathtub drain parts and plumbing are commercially available at plumbing and hardware stores.
Drain/Overow rough-in information is included with your bathtub in the installation instruction manual.
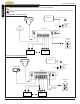
Flashing
Exploded View
1˝ x 4˝
(25mm x 101mm)
Not For Support
Mortar or
Adhesive
Suboor
Sealant
Tile
Complete the bathtub surround installation (Figure 8).
1
Install drain/overow according to the
manufacturer’s instructions. Refer also to the
Technical Specications Manual.
Watertight installation of the drain is the installer’s
responsibility. Drain leakage is excluded from the
Jacuzzi Luxury Bath warranty of this product.
2
Install the faucet at this time. It is recommended
that the faucet be installed by a qualied plumber.
Proper installation of the spout plumbing and
compliance with local codes are the responsibility of
the installer. Jacuzzi Luxury Bath does not warrant
connections of water supply ttings and piping,
ll systems, or drain/overow systems. Nor is it
responsible for damage to the bathtub which may
occur during installation.
A non-ammable protective barrier must be placed
between the soldering work and the bathtub unit to
prevent damage to the bathtub.
3
Prepare the cut-out hole for the bathtub using
either the provided full scale template or the cutout
dimensions listed in the specications table in the
Technical Specications Manual.
The template may show guides for more than one
bathtub, be certain to select the appropriate guide
lines. If under mounting is an option, be careful to
select the guide lines that apply to the installation
that you are performing.
4
Complete all deck nish work and cover to protect
from damaging while placing the bathtub.
5
Insulation may be placed within the bathtub
surround.
Provide adequate ventilation around the motor/
pump to ensure sufcient airow and cooling.
6
Turn off power supply to dedicated GFCI protected
circuits.
7
Place a piece of scrap lumber on each of the ends
of the cutout – this will be used as a temporary
support prior to lowering the bathtub fully into the
opening (Figure 9).
Tile or Finished
Surface
Substrate
Scrap Lumber
Support
Member
Level Suboor
Scrap Lumber
Minimum 3˝
(76mm)
Clearance
Figure 8
Figure 9