Installation Guide

Luxury Whirlpool Bath
Installation and Operation www.jacuzzi.com Page 15
English
Undermount Installation
1
Install drain/overow according to the manufacturer’s
instructions.
Watertight installation of the drain is the installer’s
responsibility. Drain leakage is excluded from the Jacuzzi
Luxury Bath warranty of this product.
2
Turn off power supply to dedicated GFCI protected
circuits.
3
Install the unit in desired location. DO NOT use plumbing
xtures or lines to carry or lower the unit.
4
Inspect all ttings, plumbing, and control lines after
inserting to insure the components are not damaged or
disconnected.
5
Align the bathtub and connect the drain.
6
Insulation may be placed within the bathtub surround.
Provide adequate ventilation around the motor/pump to
ensure sufcient air ow and cooling.
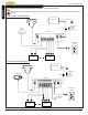
7
Cut deck/counter to t using the undermount template
provided as follows:
Position the template so that the desired undermount
guidelines are aligned with the rim edge as shown
(Figure 12).
Using a grease pencil, mark the center lines (denoted
by on template). Remove template.
Measure the distance from the wall, or other xed point,
to the center lines (Figure 13).
8
Afx counter to bathtub. Clean any dirt or debris from the
top of the bathtub rim. Apply a bead of silicone sealant
around the entire rim of bathtub.
Do not use an adhesive or adhesive sealant to secure the
counter to the bathtub. If maintenance or remodeling is
required, the counter may have to be removed. Adhesive
will permanently bond the counter to the bathtub. Carefully
position the deck/counter over the bathtub. Follow
manufacturer’s instructions to determine cure time.
9
Apply a continuous bead of silicone sealant around
the entire seam between the counter and the bathtub
rim. Allow sealant to cure according to manufacturer’s
instructions.
10
Turn on the power supply to the dedicated GFCI protected
circuits and check system operation.
Template
Bathtub Rim
Figure 12 - Template Placement
A
B
C
D
TemplateCounter
Figure 13 - Distance Measurement
Cleanup
To avoid dulling and scratching the surface of the bathtub, never use abrasive cleaners. For most soiled surfaces, a
mild liquid detergent and warm water is sufcient. The following is also recommended:
Remove spilled plaster with a wood or plastic edge. Spots left by plaster or grout can be removed if lightly rubbed
with detergent on a damp cloth or sponge. Do not use metal scrapers, wire brushes or other metal tools, as they
will damage the bathtub’s surface.
Paint, tar, or other difcult stains can be removed with Fantastik® or soapy water.
Minor scratches which do not penetrate the color nish can be removed by lightly sanding with 600-grit wet/dry
sandpaper. You can restore the glossy nish to the acrylic surface of the bathtub with a special compound,
Meguiar’s #10 Mirror Glaze. If that is not available, use automotive rubbing compound followed by an application
of automotive paste wax.
Major scratches and gouges which penetrate the acrylic surface will require renishing. Call Jacuzzi Luxury Bath
to nd a service agent in your area.