Installation Guide

Luxury Whirlpool Bath
Page 20 www.jacuzzi.com Installation and Operation
English
Maintenance
Surface Repair
To clean your bathtub, simply use a mild, nonabrasive liquid detergent solution. You can protect and restore the gloss
to a dulled acrylic surface by applying Meguiar’s #10 Mirror Glaze, a product specically designed for use on acrylic
nishes. If Meguiar’s is not available, use a ne grade automotive rubbing compound followed by an application of
automotive paste wax.
Never use abrasive household cleaners on any Jacuzzi Luxury Bath product.
Minor scratches which do not penetrate the color nish can be removed by lightly sanding with 600-grit wet/dry
sandpaper. Restore the gloss using Meguiar’s Mirror Glaze or automotive paste wax. Major scratches and gouges
which penetrate the acrylic surface will require renishing. Call Jacuzzi Luxury Bath to nd a service agent in your area.
Spinning Jet Maintenance
If hair, or other types of debris, get caught in the bearings
of these jets, it could cause them to stop spinning. This
may require disassembly and removal.
To do this, simply grab the nozzle and pull it straight out
of the jet housing. The bearing casing will be attached to
the nozzle. These two items can be separated by holding
the casing and pushing the nozzle out from the rear of
the casing. After the cleaning is complete, reassemble
and reinstall.
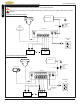
Clean the suction cover/strainer of hair and debris when
necessary.
1
Remove the center screw and detach the suction
cover.
2
Clean the cover by backushing debris from the holes.
3
Replace the suction cover immediately after cleaning.
When reinstalling, orient the cover/strainer with the
small notch at the bottom. The gasket must be inserted
into the groove of the cover/strainer before reinstalling
onto the suction tting.
Keep hair a minimum of 6 inches (152 mm) away
from the suction tting at all times when the
whirlpool system is operating. Hair longer than
shoulder length should be secured close to the
head, or a bathing cap should be worn.
Do not operate the whirlpool system with the
suction cover/strainer removed!
It is a safety device and must always be in place on
the suction tting to minimize the potential hazard
of hair and body entrapment.
Screw Notch Gasket
Suction FittingSuction Cover
Suction Cover/Strainer Maintenance