Installation Guide

Luxury Whirlpool Bath
Page 14 www.jacuzzi.com Installation and Operation
English
8
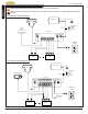
Install the unit, inserting the motor/pump end rst,
lowering the bathtub into the opening as shown in
the illustration (Figure 10).
DO NOT use plumbing xtures or lines to lower the
unit. Allow the bathtub to rest on the supports.
Drop-in Installation (con’t)
Level Suboor
Level Suboor
Scrap Lumber
Figure 12
Figure 11
Figure 10
Maximum 2˝
(50mm)
Thickness
Tile or
Finished
Surface
Member Support
Substrate
9
Inspect all ttings, plumbing, and control lines
after inserting to insure the components are not
damaged, disconnected, or contacting the nish
surface substrate or support members.
10
Connect ex water supply lines to faucet and plug
power cords into GFCI outlets.
11
Remove scrap lumber and lower the bathtub fully
into the opening (Figures 11 and 12).
12
Align the bathtub and connect the drain.
13
Turn on the power supply to the dedicated GFCI
protected circuits and check system operation.
14
Caulk around the perimeter of bathtub to seal the
space between the rim and the nished deck.
Uneven
Suboor
Floating
Floor
Compound