Specification
Manuals
Brands
JELD-WEN Manuals
Doors & Windows
33.375 in. x 56.5 in. W-2500 Series Primed Wood Double Hung Window w/ Natural Interior and Low-E Glass
10
11
12
13
14
15
16
17
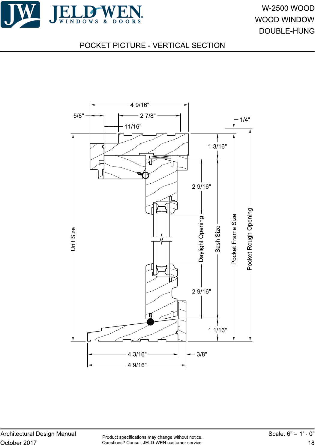
18
19
1
...
...
16
17
18
19