Specification
Manuals
Brands
JELD-WEN Manuals
Doors & Windows
Unfinished Wood Tradition Plus Double-Hung Wood Window 32.5 in. x 63.5 in.
10
11
12
13
14
15
16
17
18
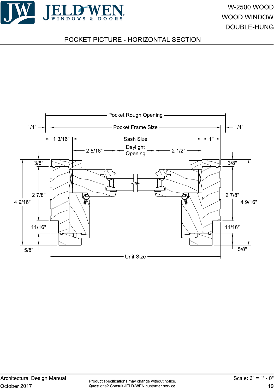
19
1
...
...
17
18
19