Specification
Manuals
Brands
JELD-WEN Manuals
Doors & Windows
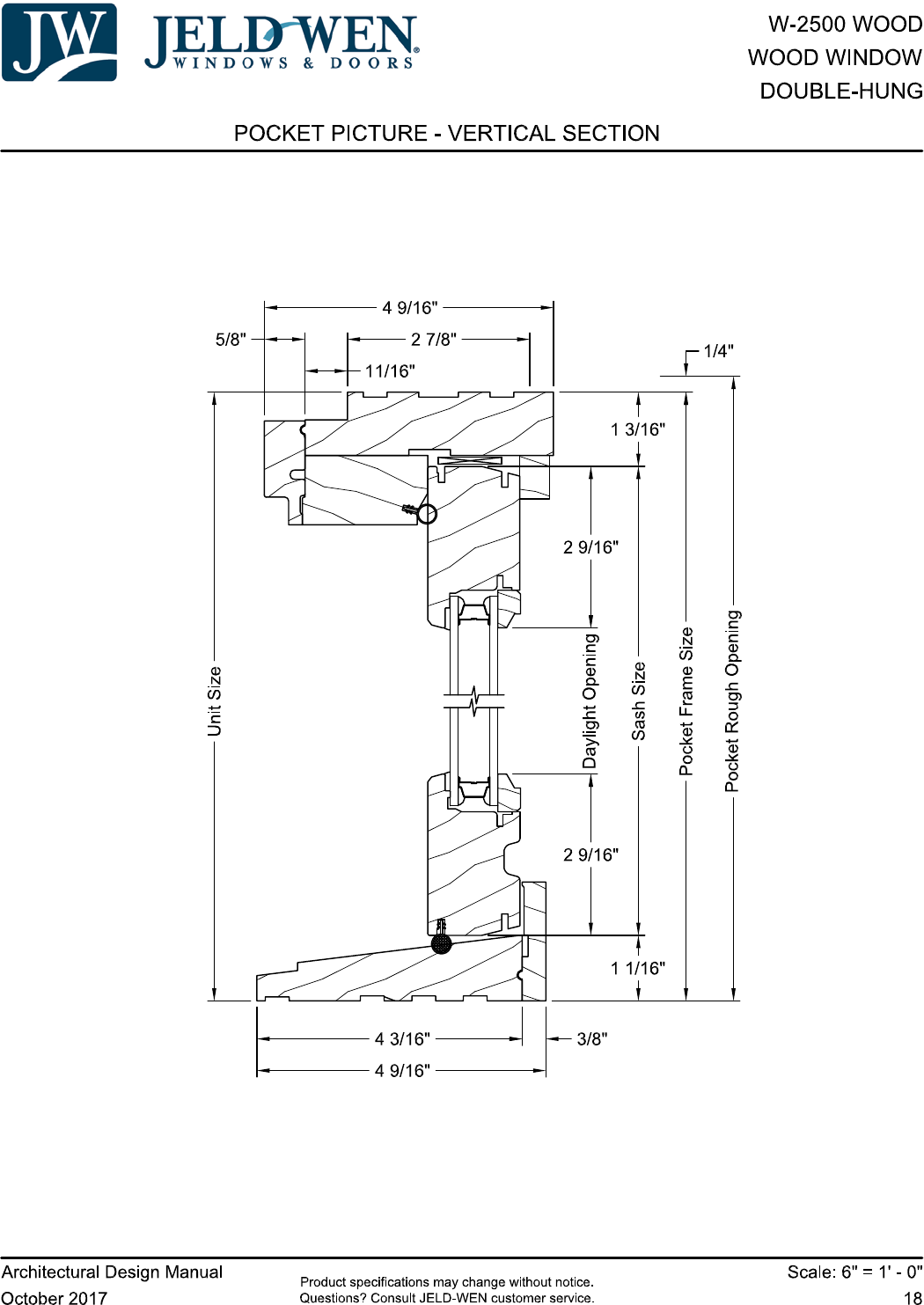
25.375 in. x 40.5 in. W-2500 Series Double Hung Wood Window - Primed White
10
11
12
13
14
15
16
17
18
19
1
...
...
16
17
18
19