User's Manual

697936-UIM-B-01211
Johnson Controls Unitary Products 37
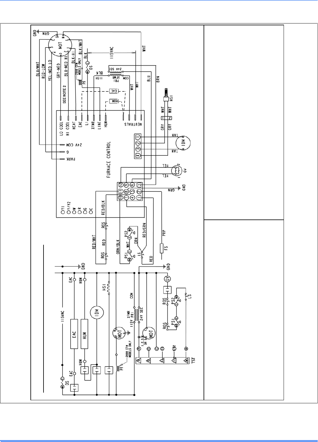
SECTION XII: WIRING DIAGRAM
FIGURE 41: Wiring Diagram
LEGEND
DSDoorswitch MOTCirculatingmotor LSLimitswitch
ROSRolloutswitch IDMInducermotor HUMHumidifier
FSFlamesensor CAPCapacitor XFMRTransformer
TSTWallthermostat HSIHotsurfaceigniter GVGasvalve
PS1Pressureswitch EACElectronicaircleaner
PS2–Condensatepressureswitch
1.Ifanyof
theoriginalwireassuppliedwiththefurnacemustbereplaced,itmust
bereplacedwithwiringmaterialhavingatemperatureratingofatleast221F
(105C).
2.Blowermotorspeedconnectionsshownaretypical,butmayvarybymodeland
application.
LEGENDE
DSCommutateurdeporte MOTMoteursoufflerie TSTThermostat
ROSCommutateurderoulement IDMD’inductmoteur FSCapteurdeflame
XFMRTransformeur GVSoupapedegaz CAPCapaciteur
LSCommutateurdelimite HUMHumidificateur EACFiltreélectrique
HSIIgnitiondesurfacechaud PS2Commutateurdepression,condensation
PS1Commutateurdepression
1.Sil'undesfilsd'originefourniaveccefourdoitêtreremplacé,ildoitêtreremplacéavec
lefilayantundegrédetempératured'aumoins221F(105C).
2.Lesconnexionsàgrandevitessedumoteurduventilateurindiquéssonttypiques,mais
peuventvarierselonlemodèleetparapplication.
WiringDiagram
–
95%SingleStageX Furnace
501025-UWD-C-0810










