Automobile Accessories - Car Accessory User Manual

L
R
L
R
L
R
INPUT
R
L
R
LINE
REAR
FRONT
OUT
L
*
3
4
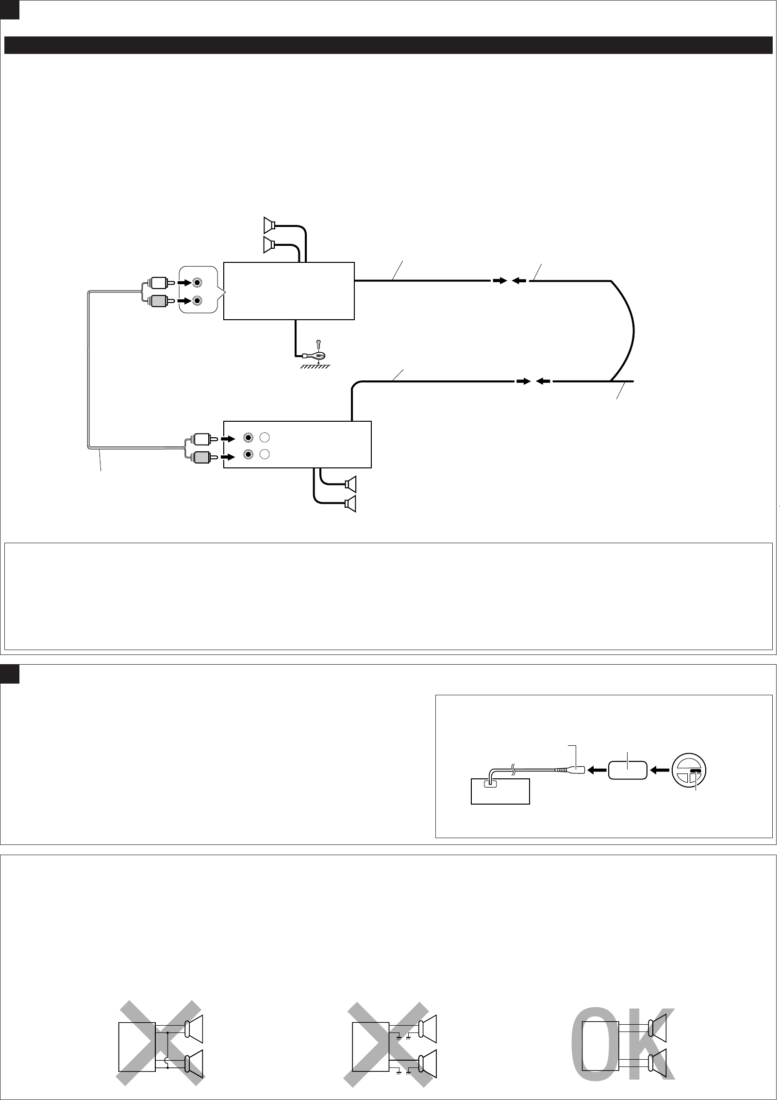
You can connect an amplifier and other
equipment to upgrade your car stereo system.
• Connect the remote lead (blue with white
stripe) to the remote lead of the other
equipment so that it can be controlled
through this unit.
• For amplifier only:
Disconnect the speakers from this unit,
connect them to the amplifier. Leave the
speaker leads of this unit unused.
Sie können einen Verstärker oder ein anderes
Gerät anschließen, um Ihre Autostereoanlage
zu erweitern.
• Schließen Sie das Fernbedienungskabel (blau
mit weißem Streifen) an das
Fernbedienungskabel des anderen Geräts an,
so daß es über dieses Gerät gesteuert
werden kann.
• Nur für den Verstärker:
Die Lautsprecher von diesem Gerät
abtrennen und am Verstärker anschließen.
Die Lautsprecherleitungen dieses Geräts
unbenutzt lassen.
Vous pouvez connecter un amplificateur ou
autre appareil pour améliorer votre système
autoradio.
•
Connectez le fil de commande à distance
(bleu avec bande blanche) au fil de commande
à distance de l’autre appareil de façon qu’il
puisse être commandé via cet appareil.
• Pour l’amplificateur seulement:
Déconnectez les enceintes de cet appareil
et connectez-les à l’amplificateur. Laissez
les fils d’enceintes de cet appareil
inutilisés.
Het is mogelijk om uw autostereosysteem uit te
breiden met een versterker of andere apparatuur.
• Verbind de externe kabel (blauw met witte streep)
met de externe kabel van het andere apparatuur
zodat deze op afstand vanaf deze apparaat kan
worden bediend.
• Alleen voor een versterker:
Koppel de speakers van dit apparaat los
en verbind ze aan de versterker. Gebruik
de speakerdraden van dit apparaat niet.
Connections Adding Other Equipment / Anschlüsse zum Hinzufügen von anderer Ausrüstung / Raccordement pour ajouter d’autres appareils /
Aansluitingen voor het toevoegen van andere apparatuur
Amplifier / Verstärker / Amplificateur / Versterker
Rear speakers
Hintere Lautsprecher
Enceintes arrière
Achterspeakers
Signal cord (not supplied with this unit)
Einzelleitung (nicht mit diesem Gerät mitgeliefert)
Cordon de signal (non fourni avec cet appareil)
Signaalkabel (wordt niet bij dit apparaat geleverd)
Y-connector (not supplied with this unit)
Y-Anschluß (nicht mit diesem Gerät mitgeliefert)
Connecteur Y (non fourni avec cet appareil)
Y-connector (wordt niet bij dit apparaat geleverd)
KD-G401
B
JVC Amplifier
JVC Verstärker
JVC Amplificateur
JVC Versterker
PRECAUTIONS on power supply
and speaker connections:
• DO NOT connect the speaker leads of the
power cord to the car battery; otherwise,
the unit will be seriously damaged.
• BEFORE connecting the speaker leads of the
power cord to the speakers, check the
speaker wiring in your car.
VORSICHTSMASSREGELN beim
Anschließen der Stromversorgung
und Lautsprecher:
• Die Lautsprecherleitungen des Netzkabels
NICHT an der Autobatterie anschließen, da
sonst das Gerät schwer beschädigt wird.
• VOR dem Anschließen der
Lautsprecherleitungen des
Spannunsgversorgungskabels an die
Lautsprecher, die Lautsprecherverdrahtung in
Ihrem Auto überprüfen.
PRECAUTIONS sur l’alimentation et
la connexion des enceintes:
• NE CONNECTEZ PAS les fils d’enceintes
du cordon d’alimentation à la batterie;
sinon, l’appareil serait sérieusement
endommagé.
•
AVANT de connecter les fils d’enceintes du
cordon d’alimentation aux enceintes, vérifiez
le câblage des enceintes de votre voiture.
VOORZORGSMAATREGELEN bij het
verbinden van de stroomkabeldraad
met de speakers:
• Verbind de speakerdraden van de
stroomkabel NIET met de accu van de
auto; als u dit wel doet, zal het apparaat
ernstige schade oplopen.
• VOORDAT u de speakerdraden van de
stroomkabel met de speakers verbindt, moet u de
bedrading van de speakers in uw auto controleren.
L
R
+
-
+
-
+
-
+
-
L
R
+
-
+
-
+
-
+
-
L
R
+
-
+
-
+
-
+
-
*
3
Firmly attach the ground wire to the
metallic body or to the chassis of the car—
to the place not coated with paint (if coated
with paint, remove the paint before
attaching the wire). Failure to do so may
cause damage to the unit.
*
3
Verbinden Sie den Erdungsleiter mit der
Karosserie oder dem Rahmen des
Fahrzeugs. Die Kontaktstelle darf nicht
lackiert sein (sollte die Kontaktstelle lackiert
sein, entfernen Sie den Lack der
Kontaktstelle, bevor Sie den Leiter
befestigen). Wenn der Erdungsleiter nicht
ordnungsgemäß angeschlossen wird, kann
dieses Gerät beschädigt werden.
*
3
Attachez solidement le fil de mise à la masse
au châssis métallique de la voiture—à un
endroit qui n’est pas recouvert de peinture
(s’il est recouvert de peinture, enlevez
d’abord la peinture avant d’attacher le fil).
L’appareil peut être endommagé si cela n’est
pas fait correctement.
*
3
Bevestig de aardedraad goed met een metalen
onderdeel of het chassis van de auto—bevestig
op een niet-gelakt gedeelte (indien gelakt,
schuur dan af alvorens de draad te bevestigen).
Het toestel kan worden beschadigd indien de
aardedraad niet goed is aangesloten.
If your car is equipped with the steering wheel remote controller, you can operate this receiver using the
controller. To do it, a JVC’s OE remote adapter (not supplied) which matches with your car is required.
Consult your JVC IN-CAR ENTERTAINMENT dealer for details.
Wenn Ihr Fahrzeug mit einer Lenkradferndienung ausgestattet ist, können Sie damit diesen Receiver
steuern. Hierfür ist ein für Ihr Fahrzeug passender Radio-Lenkrad-Fernbedienungsadaption von JVC (nicht
im Lieferumfang enthalten) erforderlich. Für weitere Einzelheiten wenden Sie sich an Ihren JVC
Autoradiohändler.
Si votre voiture est munie d’une télécommande de volant, vous pouvez commander cet autoradio en utilisant
la télécommande. Pour le faire, un adaptateur pour télécommande au volant JVC (non fourni) correspondant
à votre voiture est nécessaire. Consultez votre revendeur d’autoradio JVC pour les détails.
Indien uw auto een stuurwiel-afstandsbediening heeft, kunt u deze receiver met die afstandsbediening bedienen.
Hiervoor heeft u echter een JVC adapter (niet bijgeleverd) nodig die geschikt is voor de stuurwiel-afstandsbediening van
uw auto. Raadpleeg uw JVC car audio dealer voor details.
Steering wheel remote input
Eingang für Lenkradfernbedienung
Entrée de la télécommande de volant
Ingang stuurwiel-afstandsbediening
OE remote adapter (not supplied)
Radio-Lenkrad-Fernbedienungsadaption
(nicht im Lieferumfang enthalten)
Adaptateur pour télécommande au volant (non fourni)
Adapter voor stuurwiel-afstandsbediening (niet bijgeleverd)
Steering wheel remote controller (equipped in the car)
Lenkradfernbedienung (im Fahrzeug installiert)
Télécommande de volant (installée dans la voiture)
Stuurwiel-afstandsbediening (in de auto)
Connecting to the steering wheel remote controller / Anschluß an die Lenkradfernbedienung / Connexion de la télécommande de volant /
Verbinden met de stuurwiel-afstandsbediening
KD-G401
C
Front speakers
Vordere Lautsprecher
Enceintes avant
Voorspeakers
Remote lead
Fernbedienungsleitung
Fil d’alimentation à distance
Afstandbedieningsdraad
Remote lead (Blue with white stripe)
Fernbedienungsleitung (Blau mit weißem Streifen)
Fil d’alimentation à distance (Bleu avec bande blanche)
Afstandbedieningsdraad (Blauw met witte streep)
To the remote lead of other equipment or power aerial if any
Zum Zusatzkabel des anderen Geräts oder der Motorantenne,
sofern vorhanden
Au fil de télécommande de l’autre appareil ou à l’antenne
automatique s’il y en a une
Naar afstandsdraad van andere apparatuur of antenne met circuit
indien aanwezig
Instal3-4_KD-G401_005A_f.p65 7/11/03, 6:41 PM4




