VCR - VHS VCR User Manual
Table Of Contents

Filename [HRJ780MS2.fm]
Masterpage:Right
39
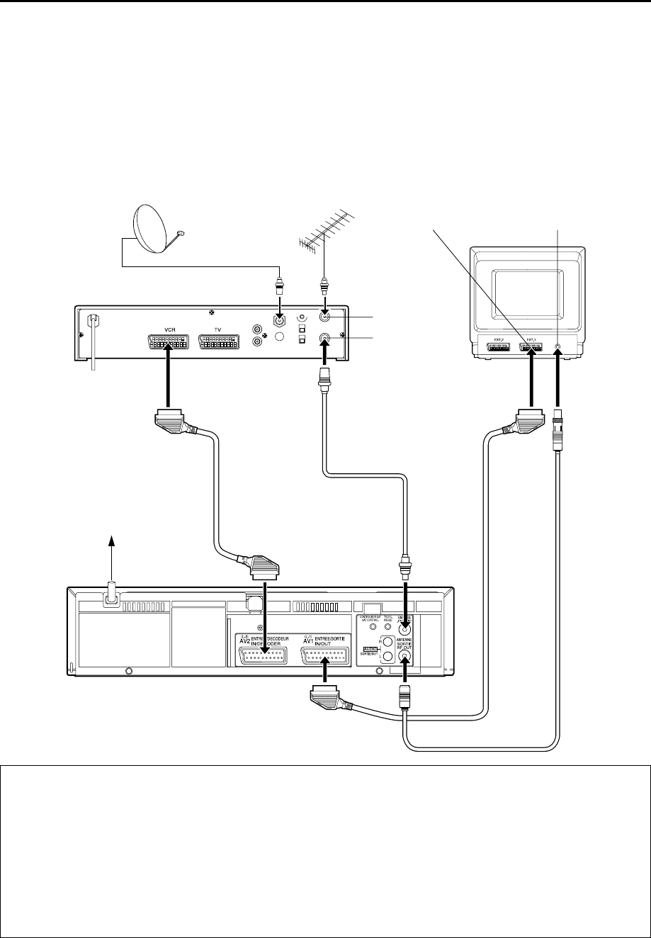
Raccordement à un récepteur satellite
Si vous ne disposez pas d’un décodeur ...
Raccorder le récepteur satellite au connecteur AV2 (L-2)
ENTREE/DECODEUR du magnétoscope, puis raccorder
le connecteur AV1 (L-1) ENTREE/SORTIE du
magnétoscope au connecteur d’entrée AV à 21 broches
(péritélévision) de votre téléviseur.
REMARQUES:
● Régler “SELECTION L-2” sur “SAT” (
墌
p. 45).
● Vous pouvez utiliser la fonction d’enregistrement automatique
d’émission satellite (
墌
p. 33) à l’aide de cette connexion.
● Pour enregistrer une émission par le biais d’un récepteur
satellite, réglez le téléviseur sur son mode AV.
● Pour des détails, consulter le mode d’emploi de votre
récepteur satellite.
IMPORTANT
Lorsque vous réglez “SELECTION L-2” sur “SAT” (
墌
p. 45), vous pouvez regarder une émission diffusée par satellite sur votre
récepteur réglé en mode AV même si le magnétoscope est éteint.
Lorsque vous allumez le magnétoscope, il sélectionne automatiquement la chaîne reçue par le récepteur satellite. Vous pouvez
enregistrer facilement des émissions diffusées par satellite.
● Si vous voulez enregistrer des émissions autres que celles diffusées par satellite, sélectionner toujours la chaîne désirée sur le
magnétoscope.
● Lorsque le magnétoscope est en mode d’arrêt ou d’enregistrement, vous pouvez passer de la chaîne reçue par le magnétoscope
à une émission diffusée par satellite en appuyant sur la touche
TV/VCR
.
● Si vous allumez le magnétoscope pendant que le récepteur satellite est en mode d’arrêt, rien n’apparaît sur l’écran TV. Dans ce
cas, mettre en marche le récepteur satellite, ou régler le téléviseur sur son mode TV, ou bien appuyer sur la touche
TV/VCR
de la
télécommande pour régler le magnétoscope sur le mode vidéo.
Appareil
extérieur
Câble satellite
Récepteur satellite
Antenne
Câble d’antenne
Connecteur d’entrée
AV péritélévision à
21 broches
Arrière du
téléviseur
ENTREE
ANTENNE
SORTIE
ANTENNE
Connecteur
d’antenne
Prise secteur
Arrière du magnétoscope
HRJ780MS2.fm Page 39 Wednesday, January 31, 2001 11:59 AM










