User Guide

4
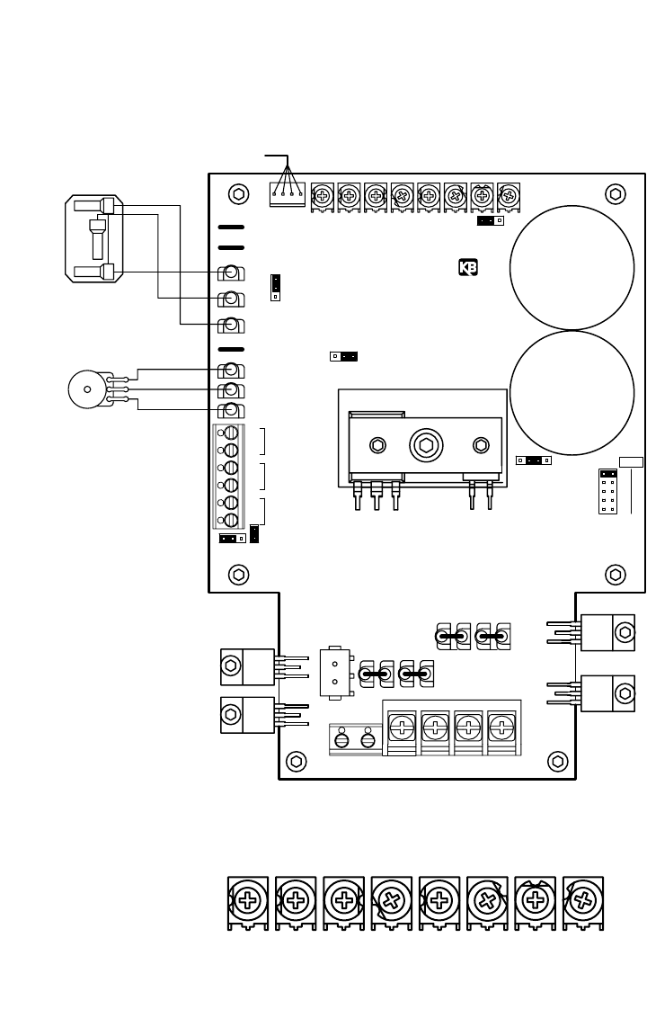
WHITE
RED
BLACK
START/STOP SWITCH
WHITE
MAIN SPEED POTENTIOMETER
VIOLET
ORANGE
JOG
JOG
COM
STOP
STOP COM
INH1
INH1
INH2
START
INH2START
CON1
P1
TB3
P1
STOP
P3
P2
P2
P3
NC
NO
J6
BLU
DECELACCEL
KBPW-240D
MINMAX JOG CL IRTCL
To LED Board
L1B
J7A
L1A L2A
J7B
L2B
ORN
WHT
RED
BLK
F1 A1F2 A2 L2L1
TB2
CON2
A1B
A2B
A1A
A2A
BLU WHT WHT
TB1
TCL NTCL
J3
DECELACCEL MINMAX JOG CL IRTCL
RELAY
NC
J5
NO
180VT
90V
J1
AMP
J2
0.43.5
0.3
0.2
2.5
1.7
0.8
0.5
7.5
5.0
LH
T-
K2
K1
RELAY
EN1
50V7V
EN2
T+
TACH
ENABLE
EN
J7
J4
Enlarged view of trimpots
FIGURE 1 – CONTROL LAYOUT
(Illustrates Factory Setting of Jumpers and Approximate Trimpot Settings)