FastMig KMS 400 AS Operating manual EN
OPERATING MANUAL English
CONTENTS 1. Preface............................................... . . . . . . . . . . . . . . . . . . . . . . . . . . . . . . . . . . . . . . . . . . . . . . . . . . . . . . . . . . . . . . . . . . . . . . . . . . . . . . . . . . . . . . . . 3 General. ............................................... . . . . . . . . . . . . . . . . . . . . . . . . . . . . . . . . . . . . . . . . . . . . . . . . . . . . . . . . . . . . . . . . . . . . . . . . . . . . . . . . . . . . . . . . 3 About FastMig KMS AS product. .
1. PREFACE 1.1 General Congratulations on choosing the FastMig welding equipment. Used correctly, Kemppi products can significantly increase the productivity of your welding, and provide years of economical service. This operating manual contains important information on the use, maintenance and safety of your Kemppi product. The technical specifications of the equipment can be found at the end of the manual. Please read the manual carefully before using the equipment for the first time.
2. INSTALLATION 2.1 Before use The product is packed in specially designed transport cartons. However, before use always make sure the products have not been damaged during transportation. Check also that you have received the components you ordered and the instruction manuals needed, as described in the Quick start guide pack. Product packaging material is recyclable. NOTE! When moving the welding machine, always lift it from the handle, never pull it from the welding gun or other cables.
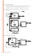
2.2 Machine introduction 01 H11 S11 6,3A F11 H12 X14 X11 X12 F11 H11 H12 S11 X11, X13 2.3 X13 Fuse for connection for control table 6.3 A delayed Signal lamp I/O Warning lamp for thermal protection Main switch I/O Welding connection parallel X15 Earth connection X12 X14 , X15 Connection for control cable Inlet of mains cable 01 EN parallel Positioning and location of the machine Place the machine on a firm, dry and level surface.
2.4 Connecting cables NOTE! Always check before use that the interconnecting cable, shielding gas hose, earth return lead/clamp, and mains cable is in a serviceable condition. Ensure that connectors are correctly fastened. Lose connectors can impair welding performance and damage connectors. 2.4.1 Liquid cooled system: FastMig KMS AS + MSF/MXF + FastCool 10 + ArcFeed EN GND 2.4.
2.5 Connection to the mains supply FastMig power sources are delivered as standard with 5 meters of mains power cable. No mains plug is fitted at the Kemppi factory. NOTE! If local country based regulations state an alternative power cable is required, the mains cable must be replaced in conformity with the regulations. Connection and installation of the mains cable and plug, should only be carried out by a suitably qualified person. Remove the machine cover plate to enable mounting of a mains cable.
2.7 Functions of AS panel EN ON/OFF button MIG dynamics / MMA Arc Force adjustment • When CV is selected, parameter name ’dYn’ and the adjustable value between -9 ... 9 are shown • When CC/MMA is selected, parameter name ’Arc’ and the adjustable value between -9 ... 9 are shown • In MXF mode the dynamics cannot be adjusted with the AS panel and ’--- ---’ is shown. In this case the adjustment is done through the wire feeder panel CC/MMA = Constant current mode. Selection with a long press.
WiseRoot process for root pass welding and then completing hot pass and filler runs with ArcFeed system using self-shielded filler wire. MMA welding FastMig KMS AS is also suitable for MMA welding with basic or rutile electrodes. MMA welding works with CC (Constant current) mode set from the AS power source panel. NOTE! In CC/MMA mode FastMig KMS AS has two welding programs: one for ArcFeed CC welding and the other for MMA welding. The desired welding program can be chosen from the KMS AS ‘SETUP’ function.
4. BASIC TROUBLESHOOTING NOTE! The problems listed and the possible causes are not definitive, but serve to suggest some standard and typical situations that may present during normal environmental use when using the MIG/MAG process with FastMig.
5. MAINTENANCE When considering and planning routine maintenance, please consider the frequency of machine use and the working environment. Correct operation of the machine and regular maintenance will help you avoid unnecessary downtime and equipment failure. NOTE! Disconnect the machine from the mains before handling the electrical cables. 5.1 Daily maintenance • Check the overall condition of the welding gun. Remove welding spatter from the contact tip and clean the gas nozzle.
6. OPERATION DISTURBANCES Should you experience a malfunction from your machine, please consult the basic troubleshooting text above first, and complete some basic checks. If the machine malfunction cannot be corrected with these measures, contact your KEMPPI maintenance service workshop. 6.1 Operation of the overload protection Yellow thermal protection lamp is lit when the thermostat is operating due to loading beyond the stated duty cycle.
8.
9. TECHNICAL DATA FastMig KMS 400 AS Connection voltage 3~, 50/60 Hz 400 V -15 %...+20 % Rated power 60 ED - 80 % ED 19.5 kVA 100 % ED 18.5 kVA Connection cable/fuse delayed H07RN-F 4G6 (5 m) Fuse (delayed) 35 A Load capacity 40 °C EN 60 % ED - 80 % ED 400 A 100 % ED 380 A Welding current and voltage range MMA 10 A ... 400 A MIG 10 V ... 39 V Max. welding voltage Open circuit voltage Open circuit power Efficiency at max. current Power factor at max.
KEMPPI OY Kempinkatu 1 PL 13 FIN-15801 LAHTI FINLAND Tel +358 3 899 11 Telefax +358 3 899 428 export@kemppi.com www.kemppi.com Kotimaan myynti: Tel +358 3 899 11 Telefax +358 3 734 8398 myynti.fi@kemppi.com KEMPPI SVERIGE AB Box 717 S-194 27 UPPLANDS VÄSBY SVERIGE Tel +46 8 590 783 00 Telefax +46 8 590 823 94 sales.se@kemppi.com KEMPPI NORGE A/S Postboks 2151, Postterminalen N-3103 TØNSBERG NORGE Tel +47 33 346000 Telefax +47 33 346010 sales.no@kemppi.