Instruction Manual

Page - 3
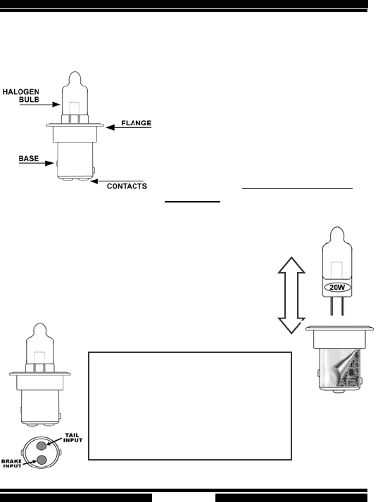
20W-D INSTALLATION:
When replacing the Tail/ Brake bulb with
tailBlazer, grab only the flange with your
fingers. DO NOT twist the glass element.
The dual contact bulbs have indexed
pins, so the bulb can only be inserted
one way.
If you have twin dual-contact bulbs in the
taillight housing, we recommend
replacing both. 20W-D is available in
twin-pack.
Should there be a need to replace the 20W Halogen
element, pull the bi-pin bulb straight out from the
base. DO NOT wiggle or twist.
The sockets that hold the pins of the G-4 bulb have
beryllium copper fingers to hold the bulb tightly to
overcome vibrations. Therefore it will take some
force to remove the G-4 bulb.
CAUTION! Harley & Triumph
Sockets of some of these models have
been known to be: wired wrong. Test
to make sure that the barrel of the
socket is grounded, and the contacts
are wires as shown here.
AVOID ELECRICAL FIRES!










