Portable Generator User Manual
Manuals
Brands
Kohler Manuals
Portable Generator
12RESM1
21
22
23
24
25
26
27
28
29
30
TP-6516
4/09
30
Section
2
Wiring
Diagrams
-
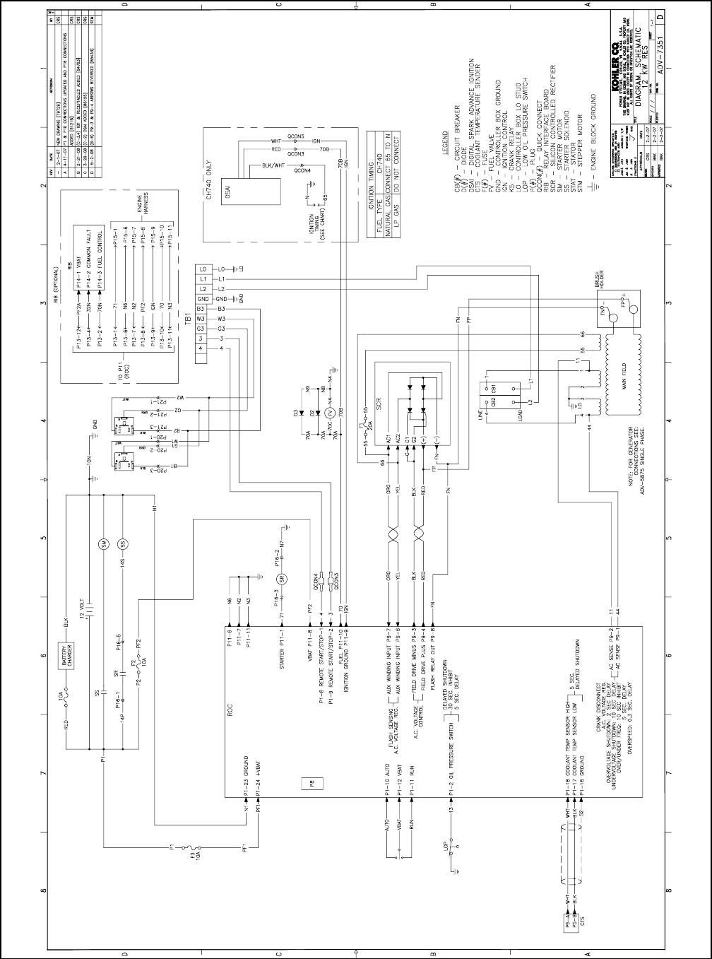
Figure
2-2
Schematic
Diagram,
12
kW
Models,
ADV
-7351
1
...
...
28
29
30
31
32
...
...
40