Portable Generator User Manual
Manuals
Brands
Kohler Manuals
Portable Generator
12RESM1
31
32
33
34
35
36
37
38
39
40
TP-6516
4/09
31
Section
2
Wiring
Diagrams
-
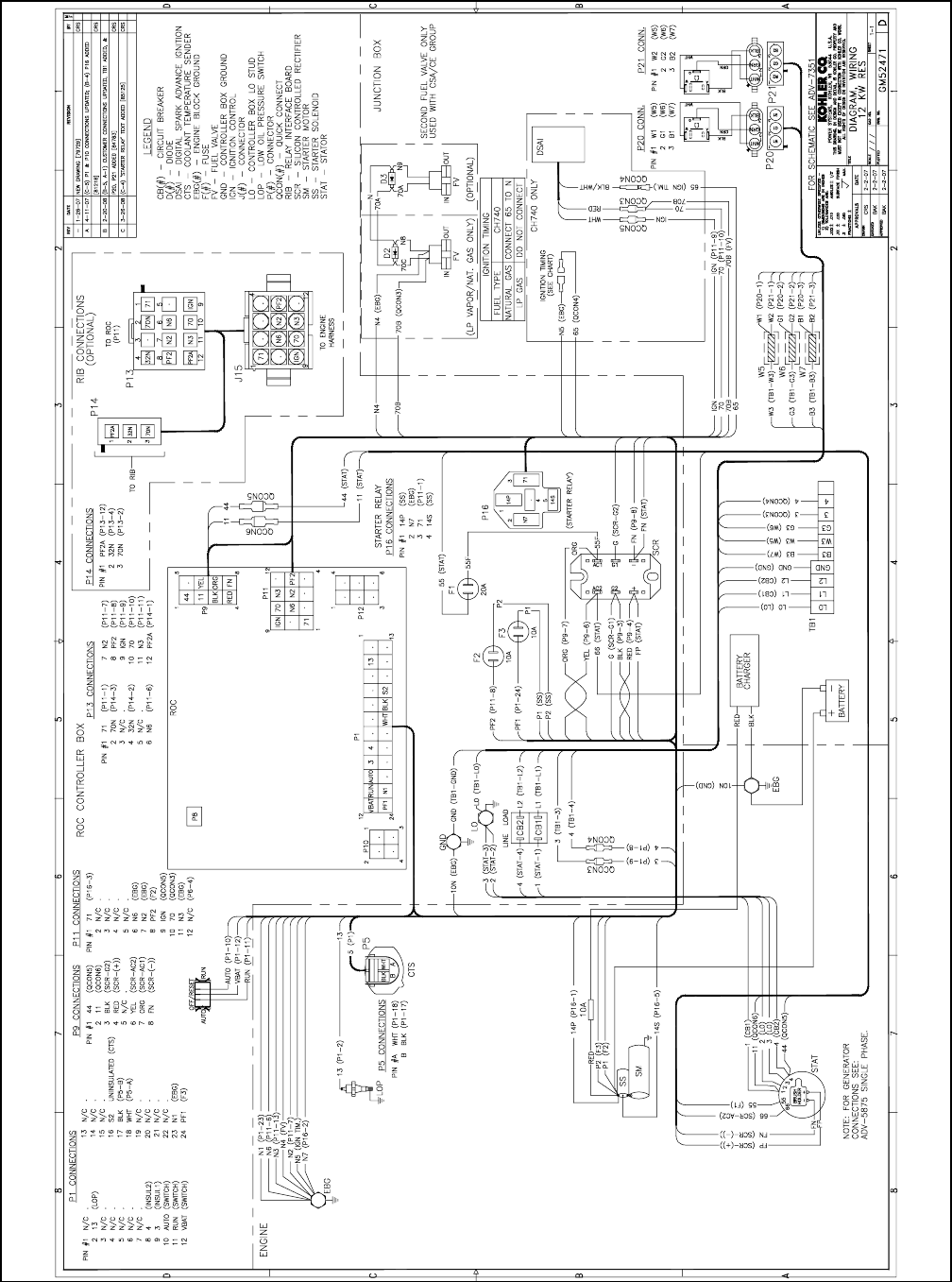
Figure
2-3
Point-to-Point
Wiring
Diagram,
12
kW
Models,
GM52471
1
...
...
29
30
31
32
33
...
...
40