Portable Generator User Manual
Manuals
Brands
Kohler Manuals
Portable Generator
12RESM1
31
32
33
34
35
36
37
38
39
40
TP-6516
4/09
32
Section
2
Wiring
Diagrams
-
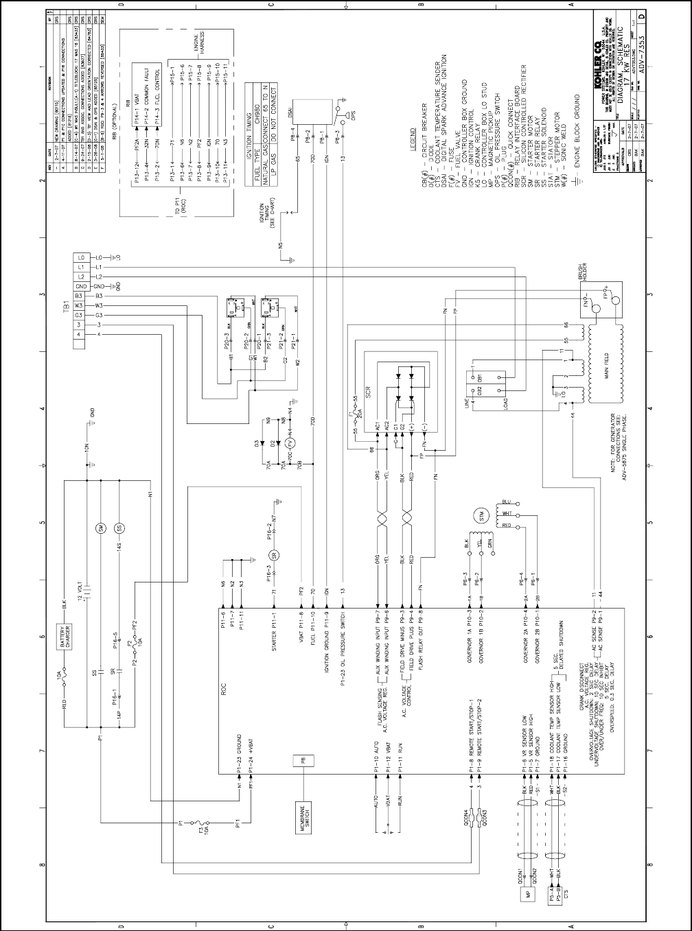
Figure
2-4
Schematic
Diagram,
Single
Phase,
17/18
kW
Models,
ADV
-7353
1
...
...
30
31
32
33
34
...
...
40