Specification Sheet

31-1/2" (800 mm)
Notes
Technical Information
Install this product according to the installation
instructions.
All product dimensions are nominal.
Flushometer, Floor-mountToilet type:
For back-to-back installations: Connect the toilet
to the vertical stack using a: double fixture fitting,
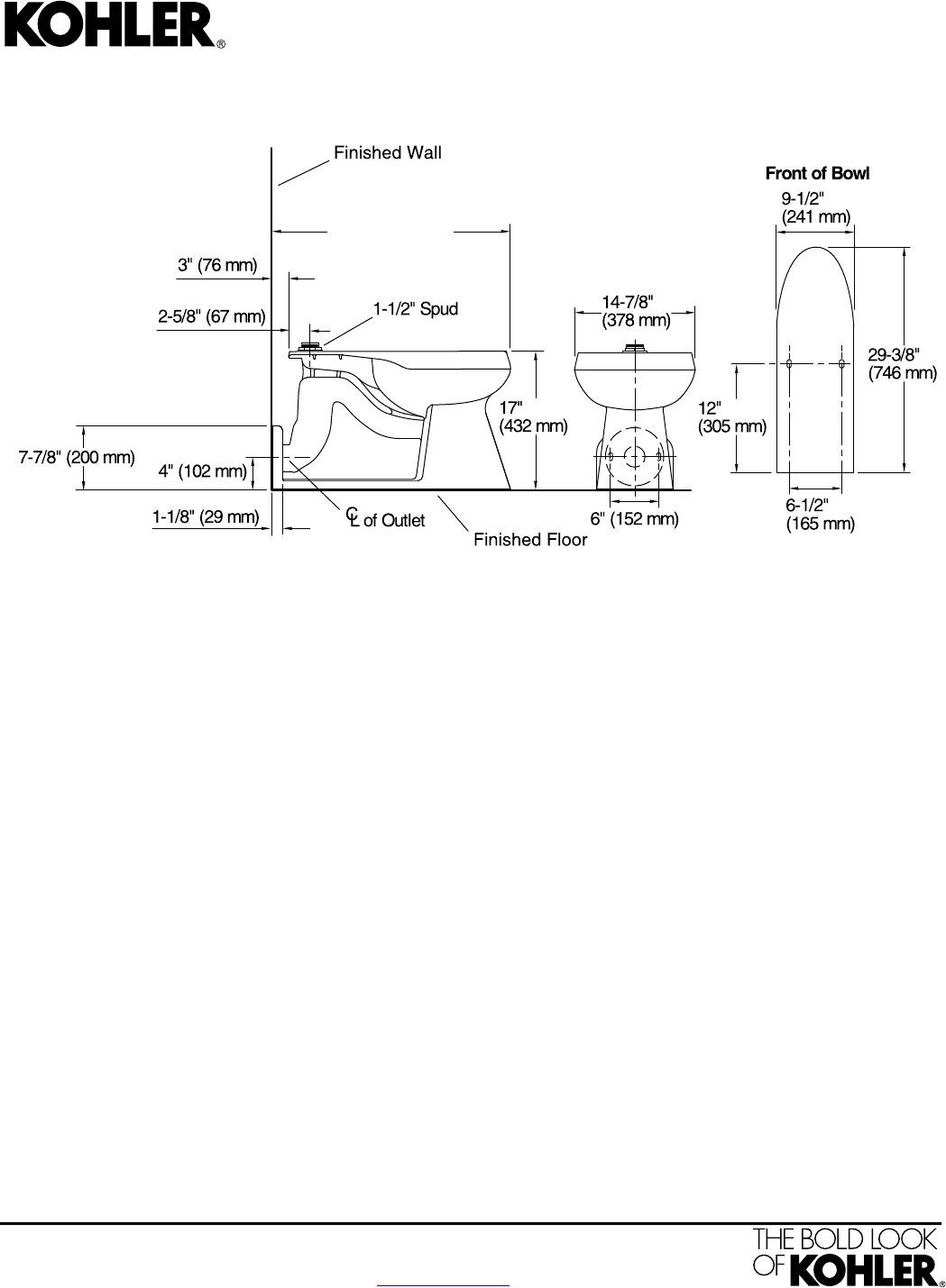
WallWaste Outlet:
Elongated frontBowl shape:
double combination wye and 1/8 bends, or double
wye and 1/8 bends.
Siphon jetFlush type:
1-1/2", Inlet, TopSpud size:
ADA, OBC, CSA B651 compliant when installed
to the specific requirements of these regulations.
2-1/8" (54 mm)Trap passageway:
12" x 10" (305 mm x 254 mm)Water surface size:
Plumbing Codes require elongated toilets and
elongated, open-front toilet seats in public
bathrooms.
5-7/8" (149 mm)Rim to water surface:
4" (102 mm)Rough-in:
Accessibility standards require controls to be
located on the open side of the toilet.
5-1/2" (140 mm)Seat-mounting holes:
USA/Canada: 1-800-4KOHLER (1-800-456-4537)
Kohler Co. reserves the right to make revisions without notice to product specifications.
For the most current Specification Sheet, go to www.kohler.com.
3-8-2017 03:59
Anglesey
™
Comfort Height
®
High Efficiency Bowl
K-4352-L


