Installation Guide
Manuals
Brands
KRAUS Manuals
Kitchen
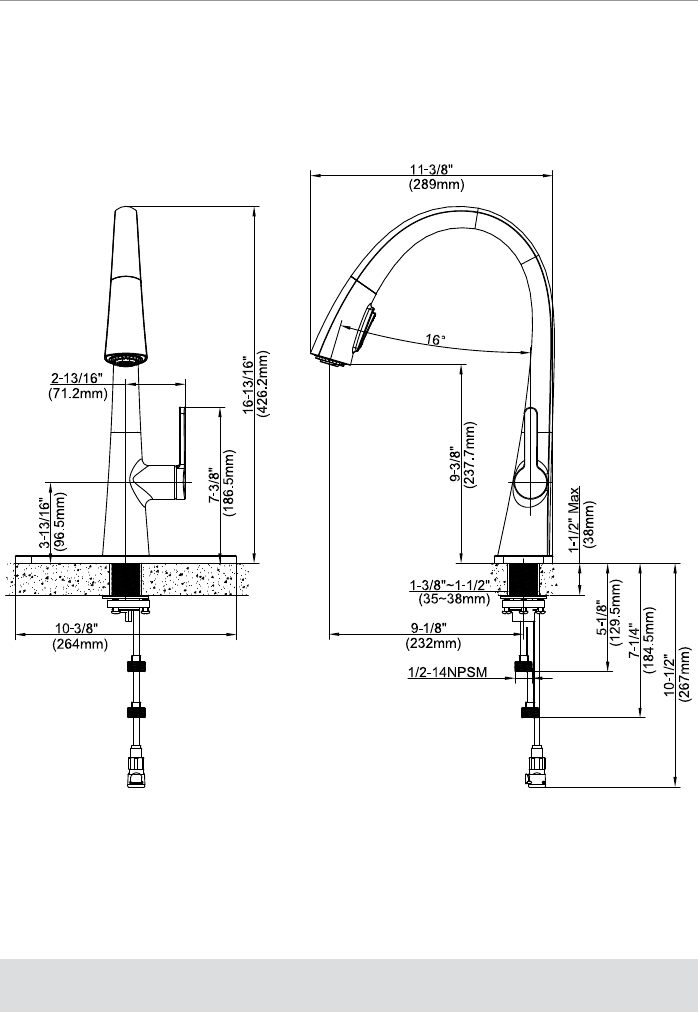
Spot Free Nolen Single-Handle Pull-Down Sprayer Kitchen Faucet in all-Brite Stainless Steel and Matte Black
1
2
3
4
5
6
7
8
9
10
F
aucet Installation Procedur
e
Installer Tip:
Shut o main water supply befor
e installing new faucet
1
...
...
4
5
6
7
8
...
...
17