Manual

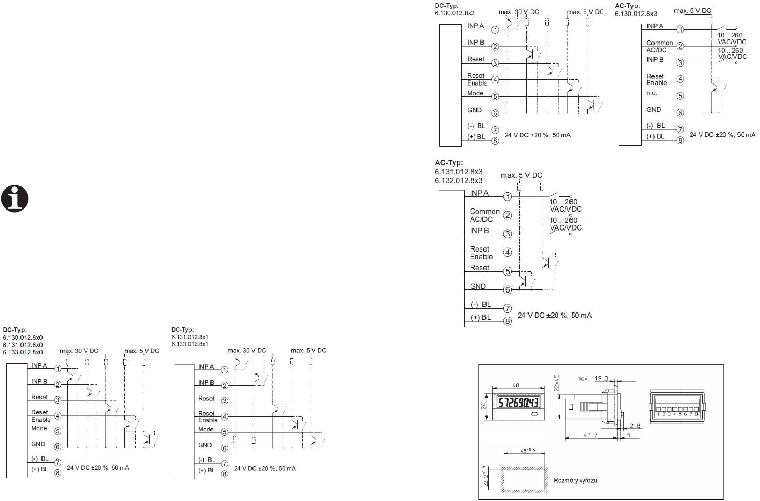
Šroubovací terminál 5:
Funkce: tabulka 3, aktivovaný při negativní hraně pulzu
Vstupní kontakt / Otevřený kolektor NPN (spíná při 0 V DC)
Low level: 0 … 0,7 V DC
High level: 3 … 5 V DC
Min. délka pulzu: 50 ms
Vstupní rezistence: cca 2,2 MΩ
Input High: - - -
Input Low: Reset čítače
Dynamická charakteristika resetu
Šroubovací terminál 6:
Společné připojení GND pro šroubovací terminál 4 (vstup pro reset key lock) a šroubovací terminál 5
(resetovací vstup).
Šroubovací terminál 7:
(–) externí napájecí zdroj pro podsvícení LCD displeje.
Šroubovací terminál 8:
(+) externí napájecí zdroj pro podsvícení LCD displeje (24 V DC ± 20 %, 50 mA).
Výrobek obsahuje lithiovou baterii. Baterii nikdy nerozebírejte, nezkratujte
ani nevhazujte do ohně. Nikdy jej neprovozujte při teplotách pod –20 °C
a nad +70 °C.
Technické údaje
Počet konektorů 8, šroubovací svorky
Velikost číslic 8 mm
Rozměr výřezu 48 x 24 mm
Barva šedá
Rozměry 53 x 24 x 48 mm
Stupeň krytí IP 65 (pouze přední panel)
Podmínky provozu teplota –10 až +55 °C
Hmotnost 50 g
Připojovací schéma
BL = osvětlení LCD displeje
Rozměry





