Profile P.A. Systems Stereo Amplifiers Owners Manual Profile System Two

17
-
+
L Preamp Out
Jack
RING (-)
RING
(Right)
Phantom Power
Phantom Power
Phantom Power
Line
Line/Inst
Microphone
Microphone
Mic/Line
Input Jack
Mic/Line(mono/stereo)-Inst.
Input Jack
SLEEVE
SLEEVE
CHANNEL 1 - 4
CHANNEL 5
TIP (+)
TIP
(L/mono)
Preamp
Right
Sum-amp
Right
Sum-amp
MONITOR
MONITOR
MONITOR
MONITOR
BA
SS
BASS
10
0
B
A
S
S
TR
LEE
B
T
RE
B
LE
1
0
K
TR
EBL
E
MAIN
MAIN
MASTER
VOLUME
EFFECTS
VOLUME
SUB VOLUME
MAIN
PAN
PAN
EFFECTS
EFFECTS
L
L
L
L
R
R
R
R
CHANNEL BUSS
Preamp
Hi-Z
Amp
Left
Sum-amp
Left
Sum-amp
-
+
signal
sensor
Sub
Sensor
Left
Limiter
Right
Limiter
Tone
Vol.
Vol./
Sum
Sub
Sum
Vol./
Sum
Sum
Vol./
Sum
Vol.
Vol.
Vol.
Vol.
Vol.
Left Amp
150W/4 ohm
Right Amp
150W/4 ohm
Vol.
Sum.
Vol.
Vol.
Sum
Sum
Vol.
Vol.
Vol.
L
L
R
R
Tone
7 Band EQ
Tone
EFFECTS LEFT
EFFECTS RIGHT
MAIN LEFT
MAIN RIGHT
MONITOR
LINE/INST
TIP (L)
RING (R)
SLEEVE
TIP (L)
RING (R)
SLEEVE
AUX IN
MIC
Line
RCA
RIGHT
R
LEFT
L
INPUT
MASTER
REAR JACKS
LP
Filter
HP
Filter
L
L
R
R
L
R
TIP
TIP
TIP
TIP
TIP
TIP
TIP
TIP
Ring
SUB Out
Jack
L Power Amp In
Jack
R Power Amp In
Jack
R Preamp Out
Jack
Monitor Out
Jack
R Speaker Out
Jack
L Speaker Out
Jack
L
R
Digital Effects
L
R
L
R
EFFECTS
ACTIVE
TO
RECORD OUT
TO
MONITOR
Vol.
Sum.
Record Output
Jack
EFFECTS LEFT
EFFECTS RIGHT
MAIN LEFT
MAIN RIGHT
MONITOR
L
R
Switch
Switch
Switch
Power Module
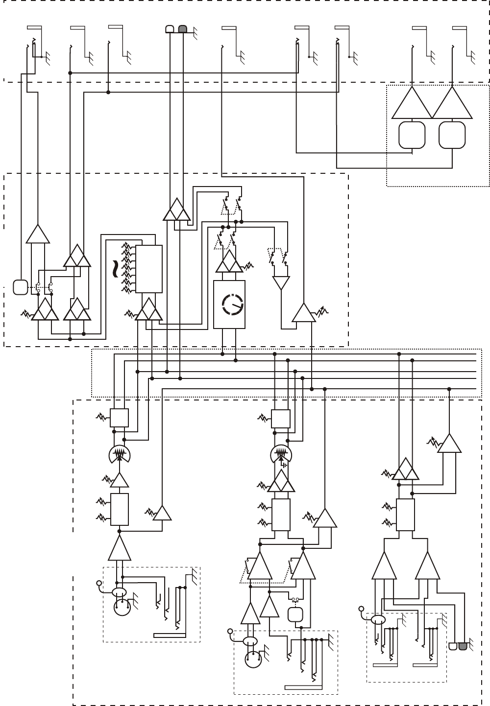
Profile Two Block Diagram










