Dimensions Guide
Manuals
Brands
LaToscana Manuals
Plumbing
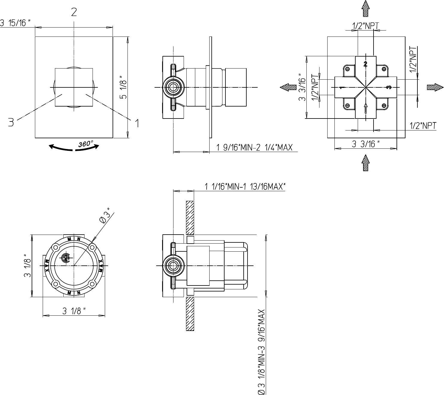
Quadro 1/2-in ID x 3/4-in OD Brass Diverter Valve
1
1
Summary of content (1 pages)
PAGE 1