Owner's manual

WM
LECTROSONICS, INC.
4
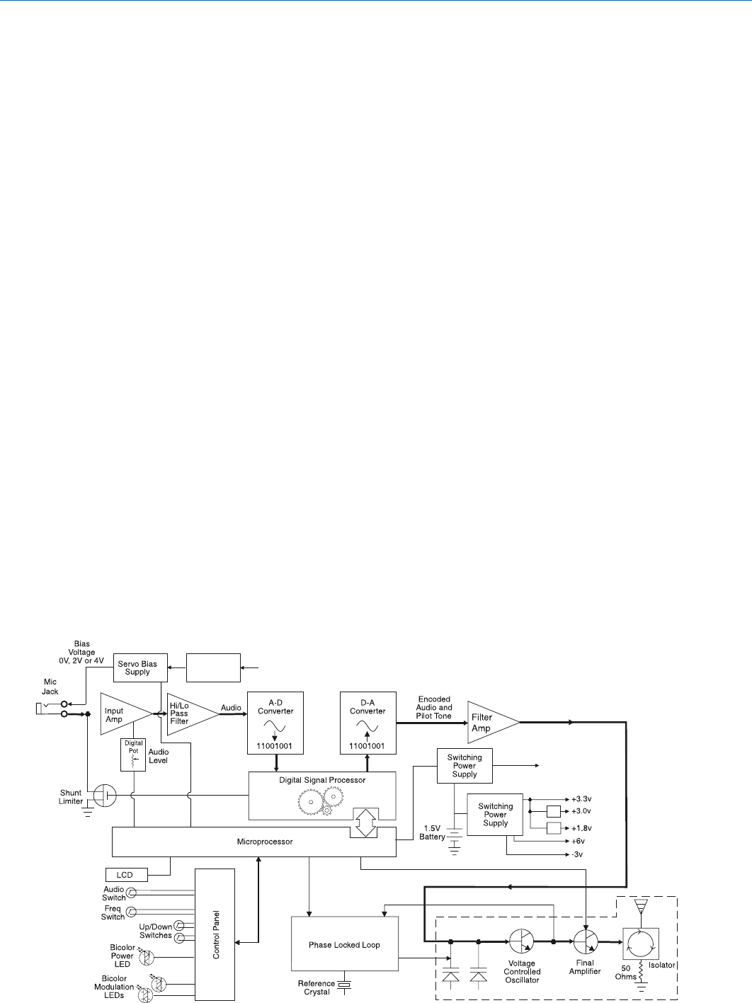
Servo Bias Input
The voltage and current requirements of the wide vari-
ety of electret microphones used in professional appli-
cations has caused confusion and compromises in the
wiring needed for wireless transmitters. To address this
problem, the unique Servo Bias input circuit provides
an automatically regulated voltage over a very wide
range of current for compatibility with all microphones.
Digital Hybrid Wireless
®
Technology
All wireless links suffer from channel noise to some
degree, and all wireless microphone systems seek to
minimize the impact of that noise on the desired sig-
nal. Conventional analog systems use compandors for
enhanced dynamic range, at the cost of subtle artifacts
(typically “pumping” and “breathing”). Wholly digital sys-
tems defeat the noise by sending the audio information
in digital form, at the cost of some combination of power,
bandwidth and resistance to interference.
Digital Hybrid systems overcome channel noise in a
dramatically new way, digitally encoding the audio in
the transmitter and decoding it in the receiver, yet still
sending the encoded information via an analog FM
wireless link. This proprietary algorithm is not a digital
implementation of an analog compandor but a tech-
nique that can be accomplished only in the digital do-
main, even though the inputs and outputs are analog.
Because it uses an analog FM link, the Digital Hybrid
system enjoys all the benefits of conventional FM wire-
less systems and it does away with the analog com-
pandor and its artifacts.
General Technical Description
No Pre-Emphasis/De-Emphasis
The Digital Hybrid design results in a signal-to-noise ratio
high enough to preclude the need for conventional pre-
emphasis (HF boost) in the transmitter and de-emphasis
(HF roll off) in the receiver. This eliminates the potential
for distortion of signals with abundant high-frequency
information.
Low Frequency Roll-Off
The low frequency roll-off can be set for a 3 dB down
point at 35, 50, 70, 100, 120 and 150 Hz to control
subsonic and very low frequency audio content in
the audio. The actual roll-off frequency will vary slightly
depending upon the low frequency response of the
microphone.
Excessive low frequency content can drive the trans-
mitter into limiting, or in the case of high output sound
systems, it can even cause damage to loudspeaker
systems. The roll-off is normally adjusted by ear while
listening as the system is operating.
Input Limiter
A DSP-controlled analog audio limiter is employed be-
fore the A-D converter. The limiter has a range of more
than 30 dB for excellent overload protection. A dual re-
lease envelope makes the limiter acoustically transpar-
ent while maintaining low distortion. It can be thought
of as two limiters in series, a fast attack and release
limiter followed by a slow attack and release limiter.
The limiter recovers quickly from brief transients, with
no audible side effects, and also recovers slowly from
sustained high levels to keep audio distortion low while
preserving short term dynamics.
Variable 1.8 - 4v
+6V
+5V
5V
Regulator










