User guide
Manuals
Brands
LEESON Manuals
Software
Chassis Mount PWM Control: M1740009.00
27
28
29
30
31
32
33
34
35
36
25
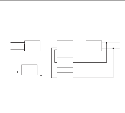
Block Diagrams
S3 (H1)
MAX/MIN
SPEED
CIRCUIT
PWM
CIRCUIT
POWER
SWITCHING
CIRCUIT
IR COMP
CIRCUIT
CURRENT
LIMIT
CIRCUIT
+VBUS
POWER
BRIDGE
CIRCUIT
FU501
S2
S1 (H2)
L1
L2
A1
A2
Figure 16. Block Diagram
1
...
...
29
30
31
32
33
...
...
36