User guide

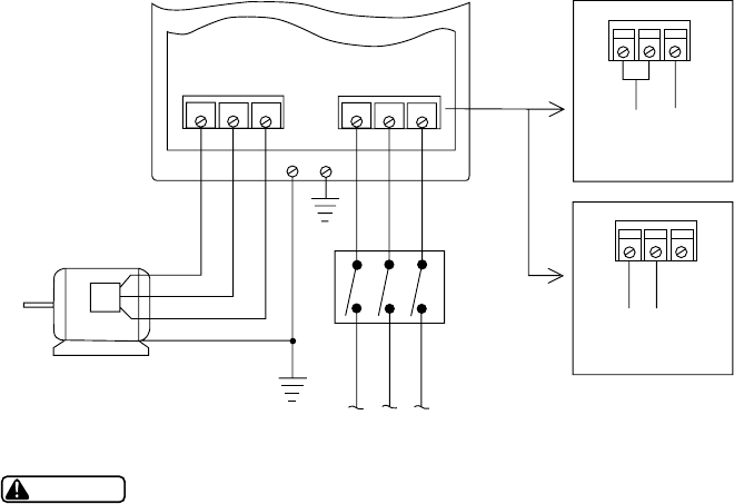
11.0 MICRO SERIES POWER WIRING DIAGRAM
Do not connect incoming AC power to output terminals T1, T2, or T3. Severe damage to the
drive will result.
INSTALL, WIRE, AND GROUND IN ACCORDANCE WITH ALL APPLICABLE CODES.
NOTES:
1. Wire the motor for the proper voltage per the output rating of the drive. Motor wires MUST be run
in a separate steel conduit away from control wiring and incoming AC power wiring.
2. Do not install contactors between the drive and the motor without consulting LEESON for more
information. Failure to do so may result in drive damage.
3. Removeanyexisting,anddonotinstall,powerfactorcorrectioncapacitorsbetweenthedriveandthe
motor. Failure to do so will result in drive damage.
4. Use only UL and CSA listed and approved wire.
5. Minimum wire voltage ratings: 300 V for 120, 200 and 240 VAC systems, and 600 V for 400, 480,
and 590 VAC systems.
6. Wire gauge must be based on a minimum of 150% of the rated output current of the drive, and a
minimum 75 C insulation rating. Use copper wire only.
7. Wire and ground in accordance with NEC or CEC, and all applicable local codes.
26
WARNING
T1
T2 T3
L1
L2 L3
GND
FUSED INPUT
VOLTAGE
GND
GND
DISCONNECT
MEANS
(REQUIRED)
120 Vac SINGLE
PHASE INPUT
WIRING DIAGRAM
240 Vac SINGLE
PHASE INPUT
WIRING DIAGRAM
L1 L2
N
L1 L2
N