Printer User Manual
Table Of Contents
- Introduction
- Set Initial Conditions (SIC) Command
- IBM Emulation Mode Printer Commands
- Control Codes
- Escape Sequences
- Printer Command Parameters
- Command Structure
- Printer Command Quick Reference (IBM Emulation Mode)
- Selecting a Character Set
- Select Code Page
- Print From Code Page
- Download a Character Set
- Select Global Font
- Select Print Type Style
- Set Print Quality
- Graphics Print Modes
- Horizontal Movement
- Line Control
- Vertical Tabulation
- Line Spacing
- Set Top of Form and Page Length
- Printer Control
- Epson Emulation Mode Printer Commands
- OKI Microline Emulation Mode Printer Commands
- Using the Printer Interface
- Downloading Characters and Fonts
- Barcodes
- Code Pages
- Glossary
- Index

95
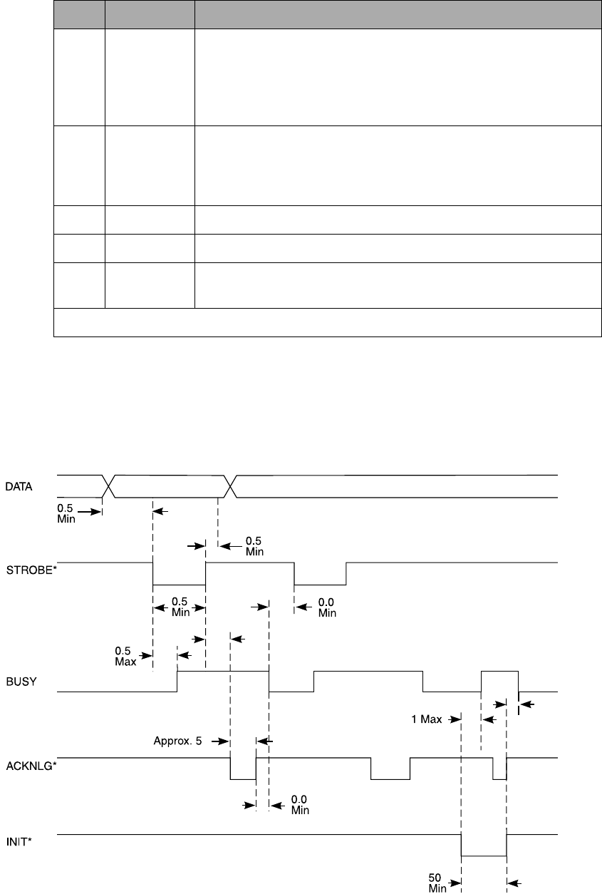
Section 6: Using the Printer Interface
Timing
The following chart shows the timing in microseconds of these signals.
31 INIT* INIT* from the system resets the printer to its initial power-
on-state. The BUSY line goes high, and any received data is
printed. When INIT* goes low, the printer resets to the power-
on default state. If data is in the USB buffer, the USB FIFO is
not reset.
32 ERROR* The printer sets the ERROR* line low if the printer detects an
error or out-of-paper condition.
A critical error condition exists when both ERROR* and PE
are low.
33 GND Ground level.
34-35 Not used.
36 SELECT IN The printer does not respond to the DC1/DC3 code when this
signal,
valid
only in Epson mode
, is low.
* Inverted logic (signal is active when low).
Pin Line Description