- LG TV Receiver User Manual

10
Connections
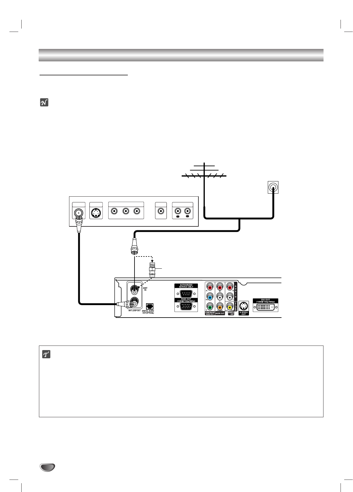
Antenna Connections
11
Connect the “Antenna” to the “ANT IN” jack on the HDTV Receiver using a coaxial RF cable.
ote
There might be some areas where the signal strength could be too high. If so, you may need to connect the
antenna to an attenuator. Screw the attenuator onto the “ANT IN” jack.
22
Connect the “ANT LOOP OUT” jack from the HDTV Receiver to the “Antenna In” jack on your TV using a
coaxial RF cable.
Cable TV
Wall Jack Panel
Attenuator
(Not supplied)
OR
OR
L
R
Y
Pb
Pr
COMPONENT VIDEO INPUT
AUDIO INPUT
L
VIDEO
INPUT
S-VIDEO
INPUT
ANTENNA
INPUT
TV or Other Device Connection Panel
HDTV Receiver Connection Panel
Antenna
ip
Before Connecting Your Antenna
During initial installation and setup of your HDTV Receiver, you may need to install a 10 dB attenuator to the
Antenna input “ANT IN” on the LST-4200A. The LST-4200A is a high performance, high-gain system intended for
operation under normal and weak signal conditions, providing the best reception with its optimum gain. However,
there might be some reception areas where the signal strength is too high (e.g. due to close proximity to an unde-
sirable signal or transmitter), so you need an attenuator that lowers the incoming signal strength (from the undesir-
able transmitter) to more normal levels. This 10 dB attenuator should be used only in a reception area where the
undesired signal strength is too high.