Network Router User Manual

4
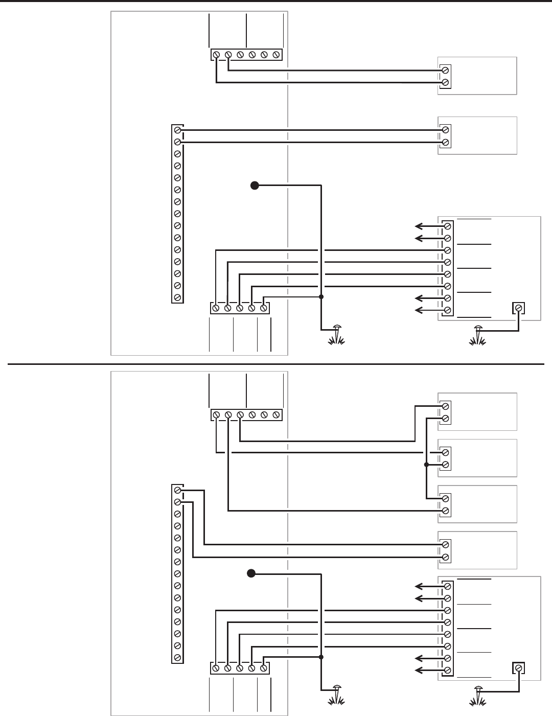
WIRING DIAGRAM
GATE
OPERATOR
OPEN
16 VAC
20 VA
TRANSFORMER
TELCO
OPEN #1
KEYPAD GND
KEYPAD DAT 1
KEYPAD DAT 0
KEYPAD PWR
TRANSFORMER
TRANSFORMER
BATTERY NEGATIVE
BATTERY POSITIVE
SENSE #1
COMMON
KEYPAD CLK
KEYPAD DVAL
OPEN #2
RELAY
#1
RE-1
TELEPHONE ENTRY
SYSTEM
SENSE #2
TYPICAL
GATE INSTALLATION
WIRING
GROUND
STAKE
N.O.
COM
N.C.
N.O.
COM
N.C.
RELAY
#2
RING
TIP
RING
TIP
EARTH
HOUSE
TIP
RING
TIP
RING
TIP
RING
TIP
RING
TELCO
RE-1
TELCO
RE-1
HOUSE
HOUSE
TELEPHONE
BYPASS
MODULE
EARTH
GROUND
TO HOUSE
PHONES
TO TELCO
LINE
TYPICAL
DOOR INSTALLATION
WIRING
NOTE: DO NOT POWER
THE LOCKING DEVICE FROM
THE RE-1 TRANSFORMER
ELECTRIC
DOOR STRIKE
MAGNETIC
DOOR LOCK
ACCESS
DEVICE
POWER
SUPPLY
NOTE: A MAGNETIC LOCK AND
DOOR STRIKE ARE BOTH SHOWN,
TYPICALLY ONLY ONE IS USED
16 VAC
20 VA
TRANSFORMER
TELCO
OPEN #1
KEYPAD GND
KEYPAD DAT 1
KEYPAD DAT 0
KEYPAD PWR
TRANSFORMER
TRANSFORMER
BATTERY NEGATIVE
BATTERY POSITIVE
SENSE #1
COMMON
KEYPAD CLK
KEYPAD DVAL
OPEN #2
RELAY
#1
RE-1
TELEPHONE ENTRY
SYSTEM
SENSE #2
N.O.
COM
N.C.
N.O.
COM
N.C.
RELAY
#2
RING
TIP
RING
TIP
EARTH
HOUSE
TIP
RING
TIP
RING
TIP
RING
TIP
RING
TELCO
RE-1
TELCO
RE-1
HOUSE
HOUSE
TELEPHONE
BYPASS
MODULE
EARTH
GROUND
TO HOUSE
PHONES
TO TELCO
LINE
RELAY RATING:
3 AMPS AT
30 VOLTS AC OR DC
MAXIMUM
RELAY RATING:
3 AMPS AT
30 VOLTS AC OR DC
MAXIMUM
10' MAXIMUM
WIRE RUN
GROUND
STAKE
10' MAXIMUM
WIRE RUN
GROUND
STAKE
10' MAXIMUM
WIRE RUN
GROUND
STAKE
10' MAXIMUM
WIRE RUN
CASE
GROUND
CASE
GROUND










