- Lowrance Electronics Fish Finder User Manual

36
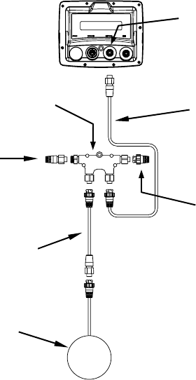
LGC-3000 and display unit as an expandable NMEA 2000 network.
The diagram has a double T connector with two 120-ohm terminators —
one at each end of the connector. It is easy to expand this network by re-
moving a terminator from one end of the double T connector, then insert-
ing a new T connector or extension cable between the double T connector
and terminator (See the NMEA 200 network general information docu-
ment that came with your unit for more information).
NMEA 0183 Wiring
(Data cable)
To exchange NMEA 0183 data, this unit has one NMEA 0183 version
2.0 communication port. Com port one (Com-1) can be used to receive
NMEA format GPS data. The com port can also transmit NMEA format
GPS data to another device.
The four wires for the com port are combined with the Power Supply
cable and NMEA 2000 Power cable to form the power/data cable
(shown earlier). Com-1 uses the yellow wire to transmit, the orange
wire to receive and the shield wire for signal ground. Your unit does
not use the blue wire.
Extension cable
LGC-3000
Double T
Connector
Network port
on display unit
120-ohm
terminator
120-ohm
terminator
Extension cable
www.Busse-Yachtshop.de email: info@busse-yachtshop.de










