User guide
Table Of Contents

M360 Manual Installation & Operation 15
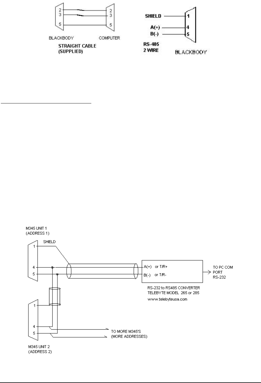
RS232 interface RS485 interface (2 wire)
The controller has a distinct address. The factory address setting is 1.
To change the address for RS-232:
1. Press and hold PAGE button. The word ACCESS and Level 1 appear in lower
display.
2. Press the UP button until LEVEL 3 appears.
3. Enter PASSCODE by pressing the UP button until 3 appears. Then wait until PASS
appears.
4. Press the PAGE button repeatedly until COMMS H appears.
5. Press the SCROLL button until ADDRESS appears.
6. Press the UP/DOWN buttons to the change address.
7. Press the PAGE button until ACCESS appears.
8. Press the DOWN button until LEVEL 1 appears.
RS485 Option
RS-485 Two wire is available as an option. The connection scheme is shown below:
RS-485 for multi-drop applications










