Operator's manual
Manuals
Brands
M&C TechGroup Manuals
Equipment
CSS Series
31
32
33
34
35
36
37
38
39
40
40
Gas sampling and gas conditioning technology
4-1.1-
ME
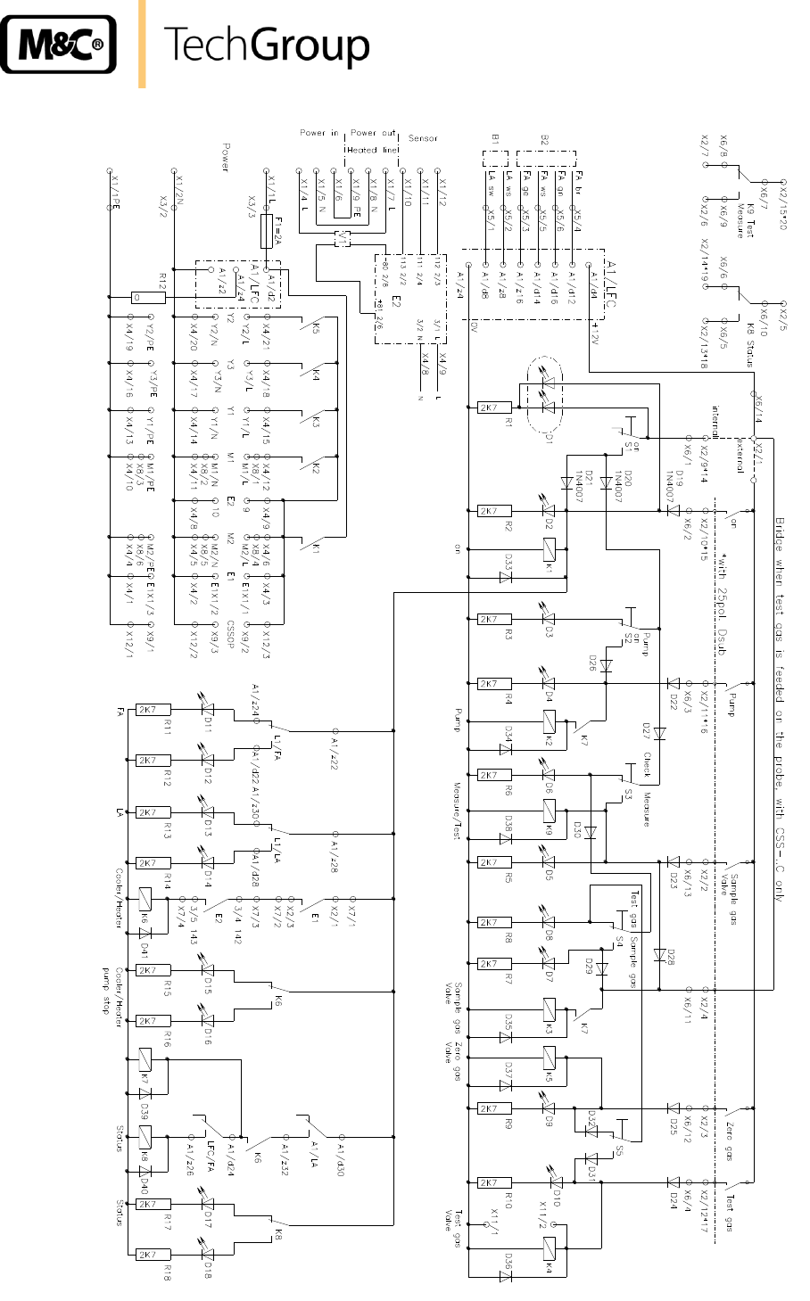
Figure
15
Circuit diagram gas conditioning CSS
1
...
...
38
39
40
41