Operating instructions

1
INSTALLATION OVERVIEW
The DMC3-4 retrofi t installation is completed using the
following steps:
• Develop the job estimate
• Removal of the old intercom system
• Install the DMC1H or DMC1HC housing
• Replace the room and patio stations (NOTE: Do not remove the
existing room and patio station mounting rings)
• Replace the door station(s) (NOTE: Do not remove the door station
mounting enclosure)
• Install the DMC3-4 master and make all room, patio, and door station
connections
• Install the optional DMCMP3 CD/MP3 player
• Test the system
✔ NOTE: All retrofi t installations with existing “loop” wiring (master to
station, station to station) must be replaced with “home run” wiring
(master to each station).
The following tools are required for the DMC3-4 installation.
You may not need to use all these tools on each install but
having then handy will make the overall installation process
easier. The use of these or other tools is dependent on the
existing intercom system installation:
• #2 Phillips screwdriver
• Wire stripper/cutter
• Tape measure
•Level
• Tin snips
• Digital multimeter (DMM)
• Small (or precision size) Philips and fl at head screwdrivers
• Power drill with 1” auger
• Small crowbar
• Large fl at head screwdriver
• Rubber mallet
• Extension cord
• Wood chisel
• Dry wall saw
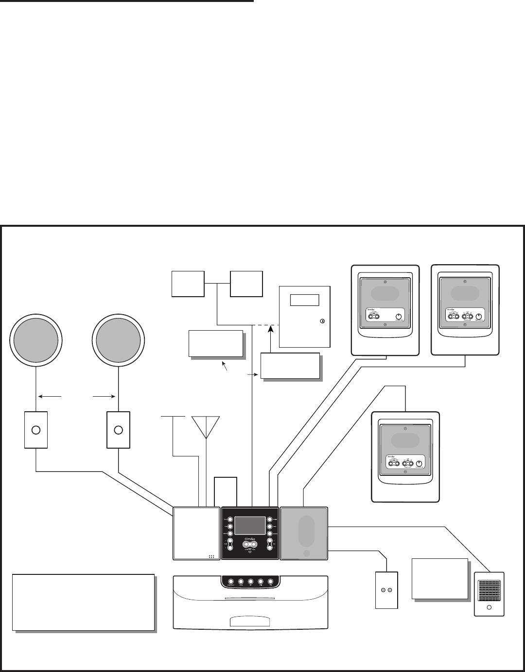
DMC3-4 Music/Communication System (Frame Required)
DMCMP3 CD/MP3 Player (Frame Required)
(DMC1HC Housing Required)
EXISTING WIRE
Audio Coax
EXISTING WIRE
MC3
or
MC8
Modular
Door
Chime
Antennas
Included with
Wall Housings
AM FM
EXISTING WIRE
DMC3RW (3-wire)
DMC4RW (4-wire)
Patio Station
DMC3R (3-wire)
DMC4R (4-wire)
Standard Room Station
DMC3RS (3-wire)
DMC4RS (4-wire)
Standard Room Station
Supports up to 15 room or patio stations and / or
speakers (ALL TYPES 15 TOTAL)
Security Panel
Dry Contact
Closure for
Panic Operation
Dry Contact
Closure for
Door Release
Remote Power
Transformer
Door Release
Mechanism
RT11
DRW
Either
MVC1
Volume Control
(1-Gang Box)
MS2SX5SC
(NR8-5)(NR8-5)
(DMCFR) (DMCFR)
(DMCFRW)
Audio Input
Wall Plate
for External
Audio Source
DS3B
Door Speaker
w/Bell Button
(DMCFD for
NuTone Only)
EXISTING WIRE
EXISTING WIRE
DMC3-4
EXAMPLE
3 & 4 WIRE RETROFIT
SYSTEM DIAGRAM
Door Stations
Available in
White, Bright Brass
Antique Brass
or Nickel
NR8P
8" Flush Mount
Speaker
NR8P
8" Flush Mount
Speaker
This diagram is for product reference only.
Refer to the installation instructions for
product limits and specifications.
Model numbers in parentheses represent
standard rough-in components.
Figure 1. System Diagram










