Installation Manual
Table Of Contents
- 1.0 Introduction
- 2.0 Installation
- 2.1 Preparation
- 2.2 Location
- 2.3 Conduit Knockouts
- 2.4 Mounting
- 2.5 Wiring the MMP Enclosure – General Requirements
- 2.6 Torque Requirements
- 2.7 Electrical System Wiring Diagrams
- 2.8 DC Wiring
- 2.9 AC Wiring
- 2.10 MMP/Inverter System Grounding
- 2.11 Removing the AC Neutral to Ground Connection
- 2.12 Removing the DC Negative to Ground Busbar
- 2.13 Wiring Accessories
- 2.14 Installation Checklist
- 2.15 Functional Test
- 3.0 Operation
- Appendix A – Optional Equipment and Accessories
- Appendix B – Using the MMP in a Mobile Application
- Appendix C – Warranty and Service

© 2013 Magnum Energy, Inc.Page 26
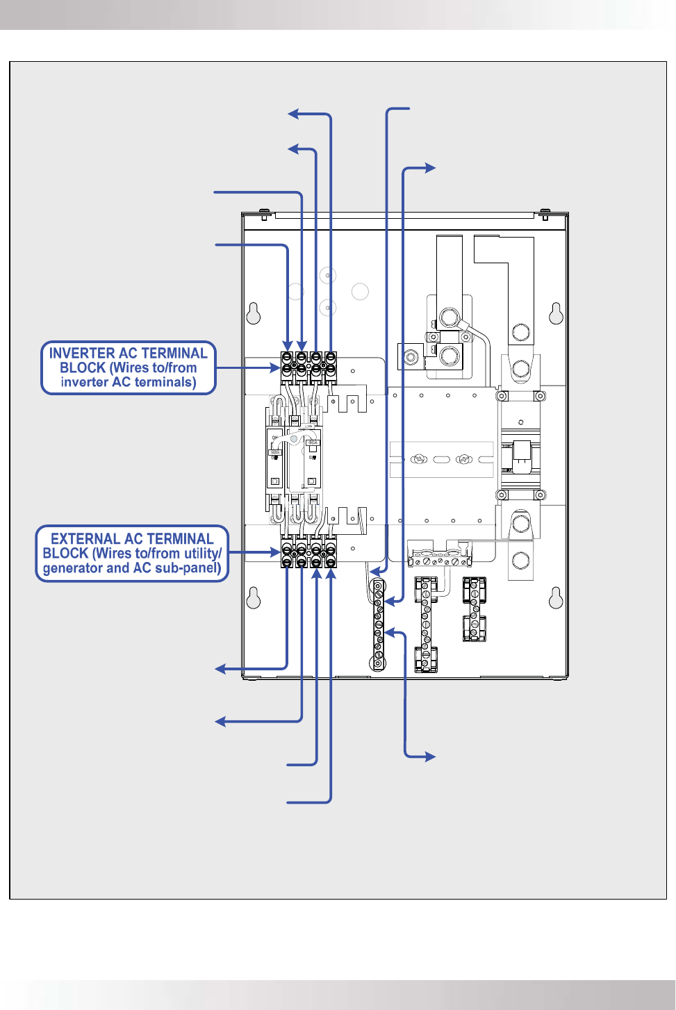
Installation
GROUND BUSBAR (inverter’s
input and output AC ground)
AC - GROUND CONNECTION
(remove green wire from ground
busbar if neutral is bonded to
ground from primary source)
GROUND BUSBAR
(from utility/generator ground
and to AC load panel ground)
INV NEUTRAL IN
(to inverter’s AC neutral input)
INV HOT 1 OUT
(from inverter’s
AC Hot output)
INV HOT IN
(to inverter’s AC Hot input)
INV NEUTRAL OUT
(from inverter’s AC
neutral output)
AC NEUTRAL IN
(from neutral of utility or generator)
AC HOT OUT
(to main breaker
in AC load panel)
AC HOT IN
(from hot out of utility or generator)
AC NEUTRAL OUTPUT
(to neutral busbar in
AC load panel)
Figure 2-11, AC Wiring Connections (MMPxxx-60S Models)