Specifications
Manuals
Brands
Magtek Manuals
computers & electronics
Port Powered Insertion Reader (RS-232)
21
22
23
24
25
26
27
28
29
30
Table Of Contents
TABLE OF CONTENTS
FIGURES and TABLES
SECTION 1. FEATURES AND SPECIFICATIONS
FEATURES
CONFIGURATIONS
MODES OF OPERATION
Unbuffered Mode
Buffered Mode
RELATED DOCUMENTS
SPECIFICATIONS
SECTION 2. INSTALLATION
CONNECTORS
OPTIONAL RS-232 CABLE
MOUNTING
CARD INSERTION AND ORIENTATION
SECTION 3. COMMANDS, FORMATS, TIMING
HOST TO READER COMMANDS
READER TO HOST FORMATS
TIMING FOR ID SIGN-ON AND TRANSMISSION BURSTS
TRANSMISSIONS EXAMPLES
APPENDIX A. OPTIONAL FIRMWARE FEATURES
JIS PORT POWERED INSERT READER
HALF CARD READER
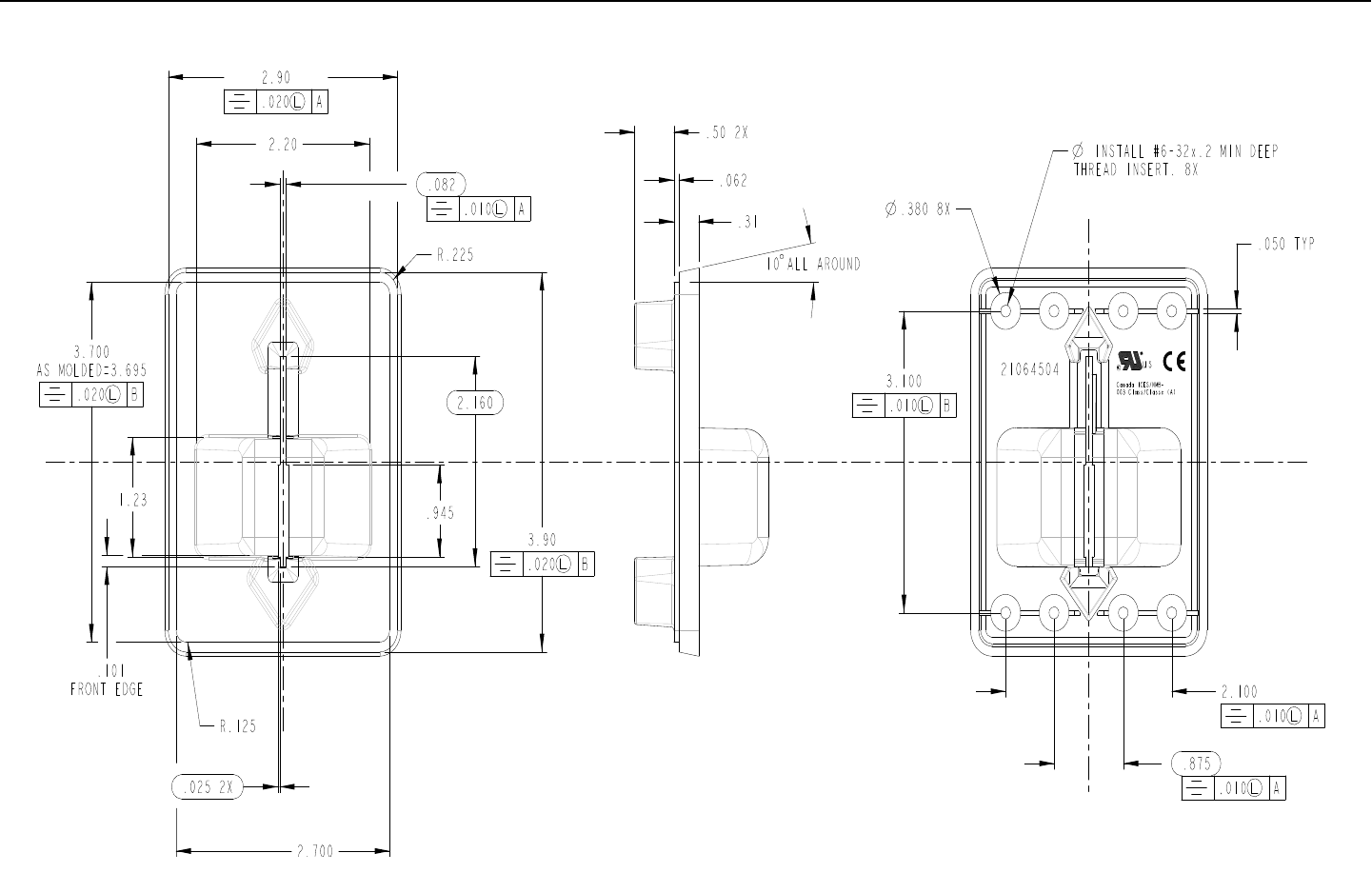
APPENDIX B. BEZEL DESIGN
Port Powered Insertion Reader
24
Figure B-3. Dimensions for Extended Bezel Design, Sheet 1
1
...
...
28
29
30
31
32