Unit installation

Table Of Contents
IOMM AGZ-3 AGZ 035A through 065A 19
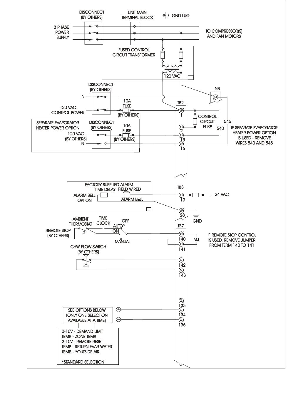
Figure 9, Typical Field Wiring with Global UNT Controller