Unit installation

Table Of Contents
20 AGZ 035A through 065A IOMM AGZ-3
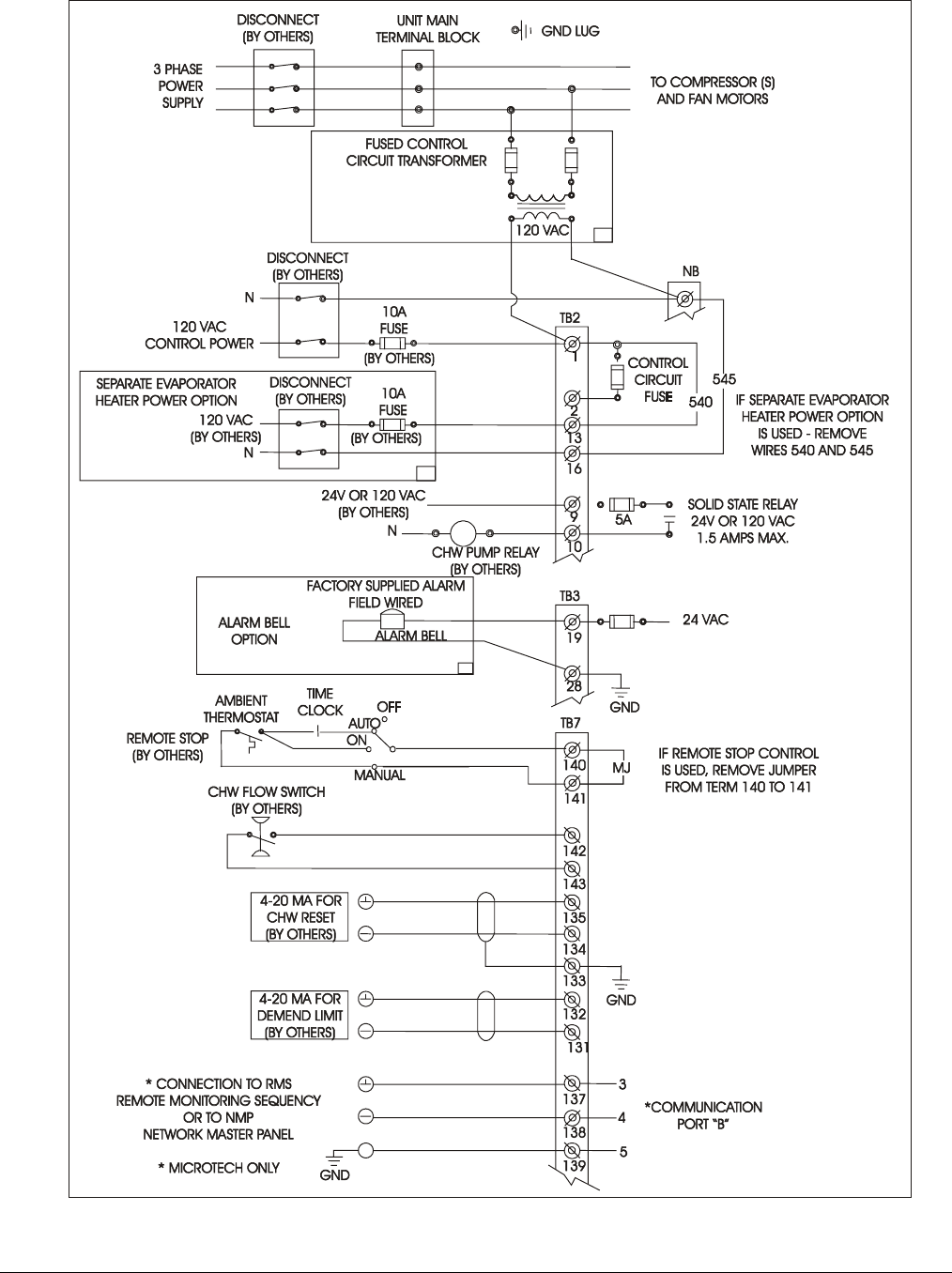
Figure 10, Typical Field Wiring Diagram with MicroTech Controller