Unit installation

Table Of Contents
IOMM AGZ-3 AGZ 035A through 065A 21
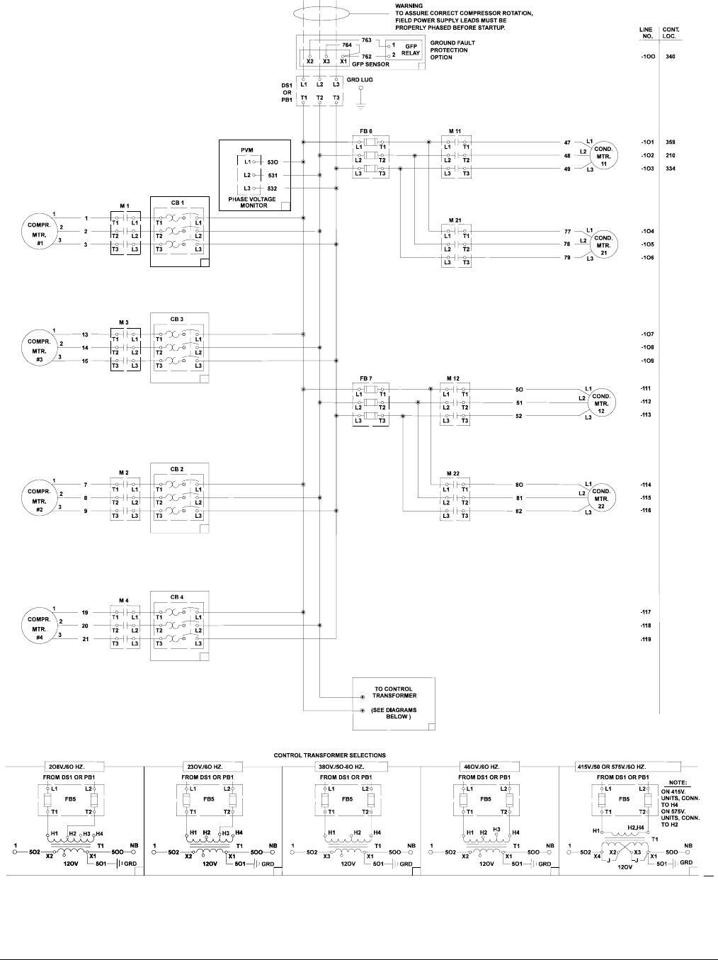
Figure 11, Single-point Connection with FanTrol