Unit installation

Table Of Contents
22 AGZ 035A through 065A IOMM AGZ-3
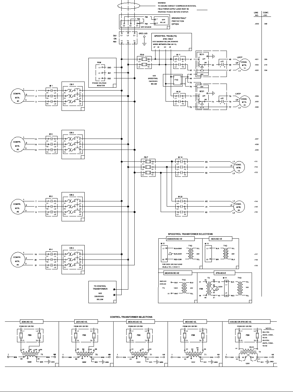
Figure 12, Single-point Connection with SpeedTrol