Unit installation

Table Of Contents
IOMM AGZ-3 AGZ 035A through 065A 23
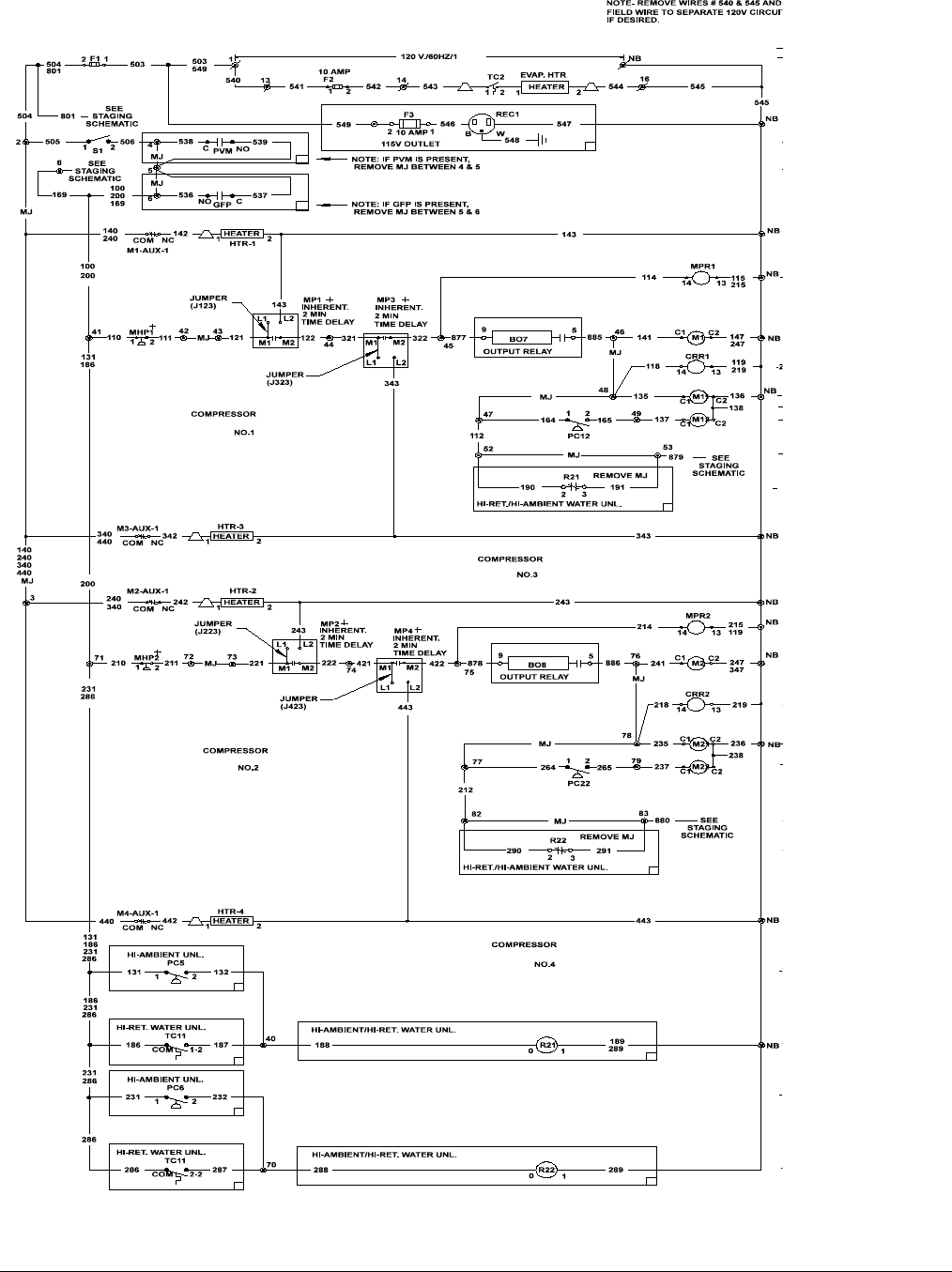
Figure 13, Unit Control Schematic (UNT)