Unit installation

Table Of Contents
IOMM AGZ-3 AGZ 035A through 065A 25
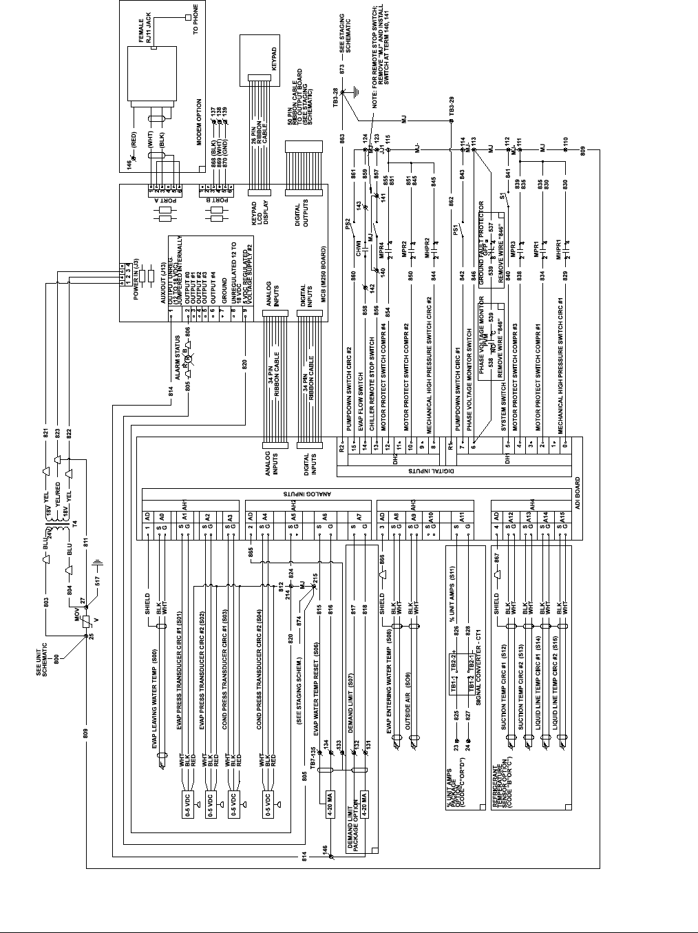
Figure 15, MicroTech Controller Schematic