Specifications
Manuals
Brands
McQuay Manuals
Air Conditioner
M4MSD
21
22
23
24
25
26
27
28
29
30
22
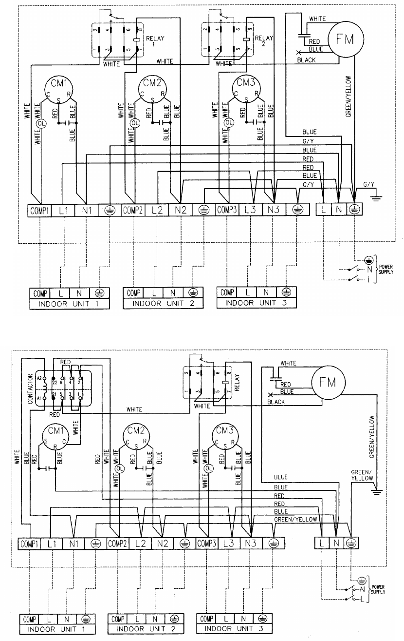
Outdoor Unit – Cooling Only
Model : MMST/M4MST 101010A/ 101015A/ 101515A/ 151515A
Model : MMST 101020A
1
...
...
21
22
23
24
25
...
...
57