Specifications
Manuals
Brands
McQuay Manuals
Air Conditioner
M4MSD
21
22
23
24
25
26
27
28
29
30
24
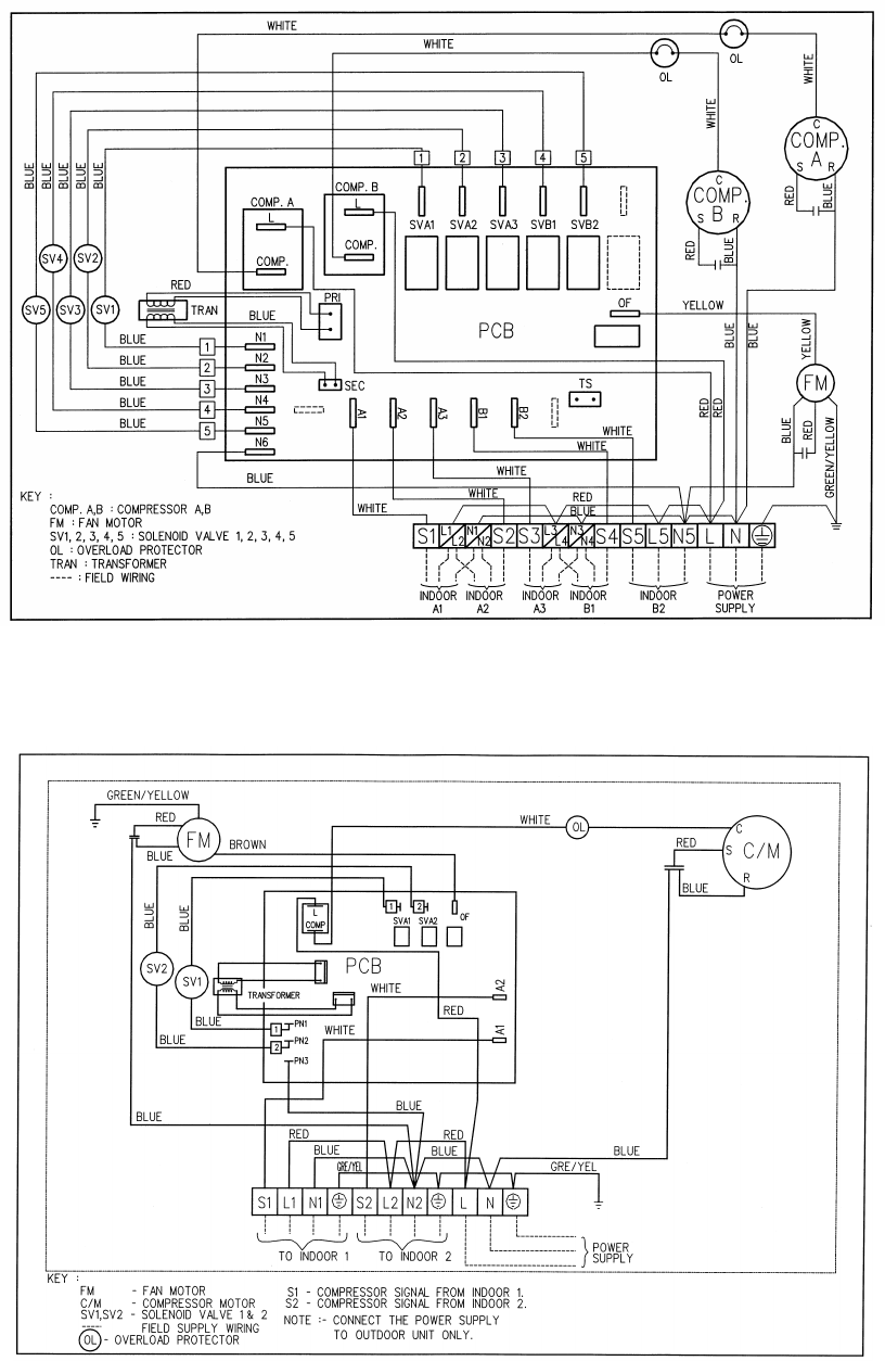
Outdoor Unit – Cooling Only
Model : MMSH66K555A
Model : MMSHK77A
1
...
...
23
24
25
26
27
...
...
57