Specifications
Manuals
Brands
McQuay Manuals
Air Conditioner
M4MSD
21
22
23
24
25
26
27
28
29
30
25
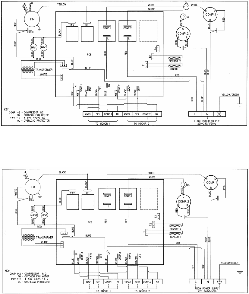
Outdoor Unit –
Heatpump
Model : MMSD 1010 / 1015 / 1515 AR
Model : MMSD 1520AR
1
...
...
24
25
26
27
28
...
...
57