Specifications
Manuals
Brands
McQuay Manuals
Air Conditioner
M4MSD
21
22
23
24
25
26
27
28
29
30
26
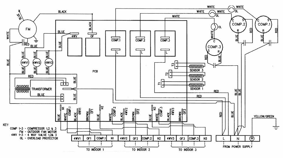
Outdoor Unit –
Heatpump
Model : M4MST 101010 / 101015 / 101515 / 151515AR
1
...
...
25
26
27
28
29
...
...
57