Specifications
Manuals
Brands
McQuay Manuals
Air Conditioner
M4MSD
31
32
33
34
35
36
37
38
39
40
30
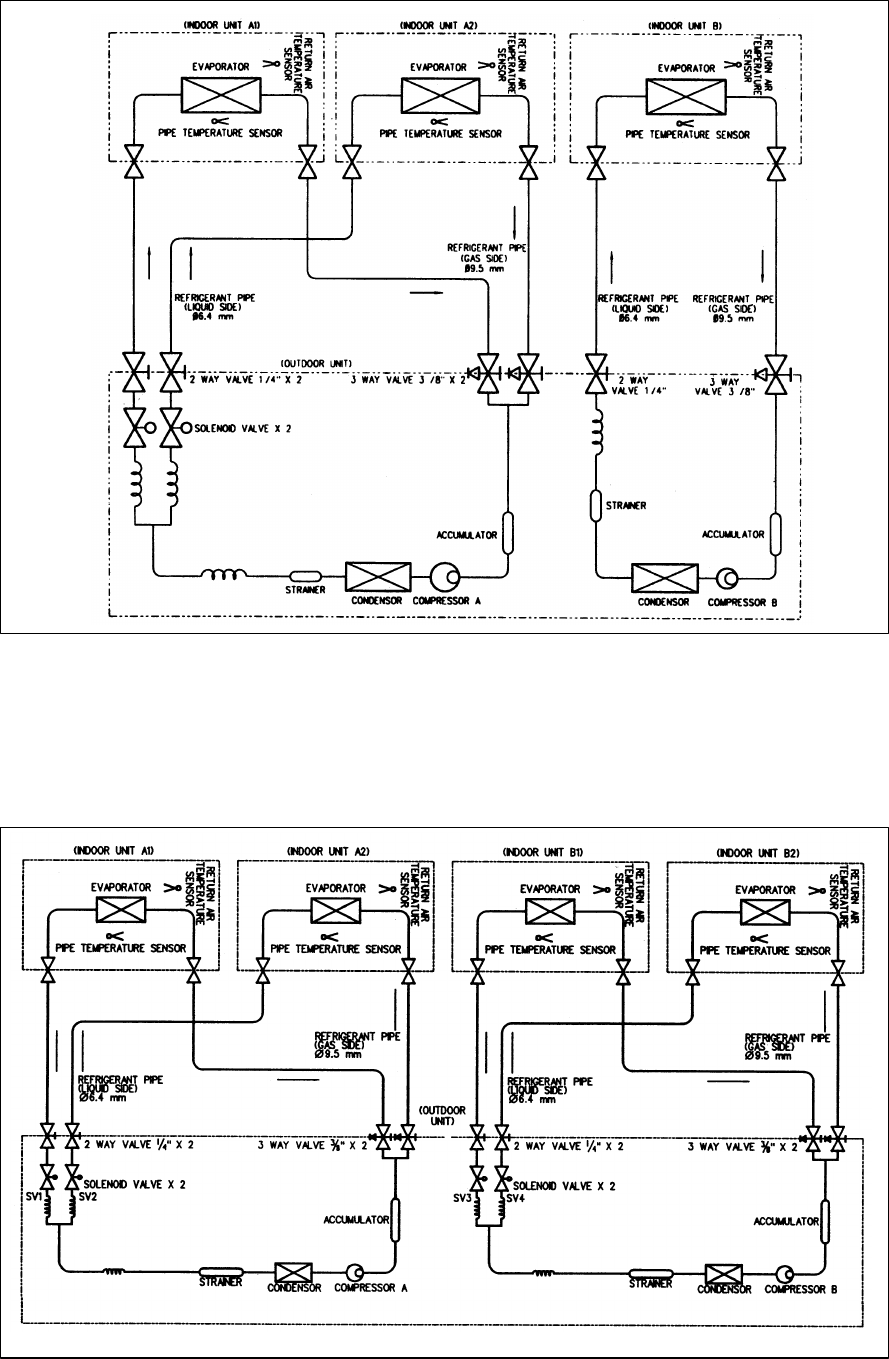
Model : MMSH8K66A
Model : MMSH66K66A
1
...
...
29
30
31
32
33
...
...
57